S2-LP支持2(G)FSK、4(G)FSK、OOK和ASK调制方式。空中数据速率编程调节范围为0.1kbps至500kbps。S2-LP收发器可用于信道间隔低至1KHz的系统,支持窄带运行。
S2-LP显示射频链路预算高于140dB(用于长距离通信),可满足满足各地的监管要求,包括欧洲、日本、中国和美国。
特性
- 频段:
- S2-LPQTR:413MHz至479MHz;826MHz至958MHz
- S2-LPCBQTR:452MHz至527MHz; 904MHz至1055MHz
- 调制方式:2(G)FSK、4(G)FSK、OOK、ASK
- 空中数据速率:0.1kbps至500kbps
- 超低功耗:
- 7mA RX
- 10 mA TX @ +10 dBm
- 出色的接收器灵敏度:低至-130dBm
- 出色的接收器选择性和阻塞性能
- 高达+16dBm的可编程射频输出功率
- 可编程RX数字滤波器
- 可编程信道间隔
- 快速启动和频率合成器建立时间
- 自动频偏补偿、AGC和符号定时恢复
- 大于145dB的射频链路预算
- 电池指示灯和低电量检测器
- RX和TX 128字节FIFO缓存
- 4线SPI接口
- 自动报文确认和重传
- 嵌入式超时协议引擎
- 出色的接收器选择性 (>80dB @ 2MHz)
- ST配套集成平衡-不平衡/滤波器芯片
- 天线分集算法
- 全集成式超低功耗RC振荡器
- 由内部定时器或外部事件驱动的唤醒
- 数字实时RSSI
- 灵活的数据包长度以及动态有效载荷长度
- 可编程前导码和SYNC字质量滤波和检测
- 基于载波侦听 (listen-before-talk) 系统的嵌入式CSMA/CA引擎
- 支持IEEE 802.15.4g硬件包,具有白化、FEC、CRC和双SYNC字检测功能
- 支持无线M-BUS
- 支持SIGFOX™和MONARCH网络
- 适用于:
- 欧洲:ETSI EN 300 220,类别1.5原生合规,ETSI EN 303 131
- 美国:FCC第15部分和第90部分
- 日本:ARIB STD T67、T108
- 中国:SRRC
- 工作温度范围:-40°C至+105°C
- 封装:4mm x 4mm x 1mm QFN-24L
应用
- 电源负载开关
- 传感器到云
- 智能计量
- 家庭能源管理系统
- 无线警报系统
- 智能家居
- 楼宇自动化
- 工业监控和控制
- 智能照明系统
内容中心
视频
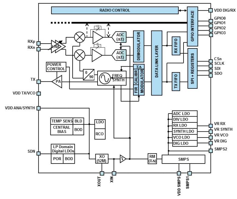
框图
发布日期: 2017-05-19
| 更新日期: 2022-05-09

