STMicroelectronics STEVAL-A6983CV1采用峰值电流模式架构和QFN16(3mmx3mm)封装,具有内部补偿功能,可最大限度地降低设计复杂性和尺寸。STEVAL-A6983CV1支持在200kHz至2.3MHz范围内选择开关频率,且具有可选扩频功能,用于改善EMC。EN引脚有助于实现启用/禁用功能。禁用时的典型关断电流为2 μA。上拉EN引脚时,器件被使能,且发生内部1.3ms软启动。
STEVAL-A6983CV1设有电源良好开路集电极,可监控FB电压。两个功率元件上的逐脉冲电流检测均可提供充分的恒定电流保护,热关断可防止热失控。
特性
- 符合AECQ100 1级标准
- 工作温度范围:-40°C至+150°C(Tj)
- 3.5 V 到 38 V 工作输入电压
- 输出电压:0.85V至VIN
- 3 A 直流输出电流
- 25 μA 运行静态电流
- 内部补偿网络
- 轻负载时可实现高效率
- 2 μA关断电流
- 内部软启动
- 高压VIN 兼容使能
- 输出过压保护
- 输出电压排序
- 热保护
- 可编程开关频率:200MHz至2.2MHz,搭配低ESR电容器(最小22µF)时可稳定工作
- 可选扩频,用于改善EMC
- 电源正常
- QFN16(3mmx3mm)封装
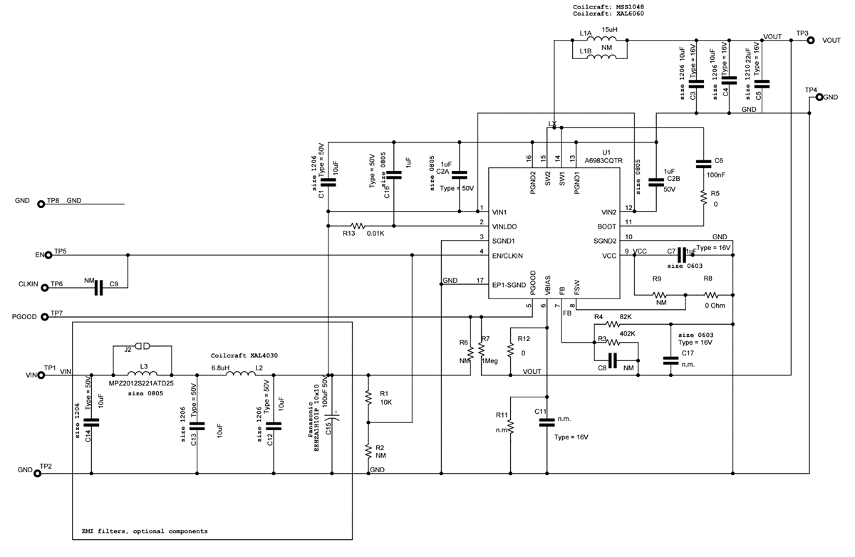
原理图
发布日期: 2024-03-20
| 更新日期: 2024-04-04

