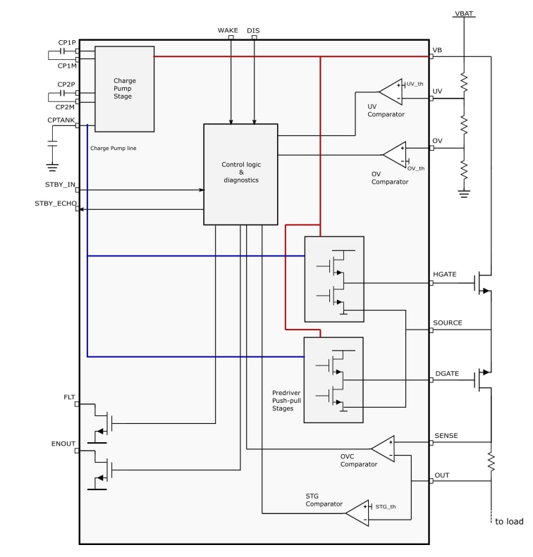
STMicro STPM801热插拔电压控制器包含一个集成式理想二极管控制器,它可以驱动第二个MOSFET(O型圈)以替代肖特基二极管,用于反向输入保护和输出电压保持。
STPM801控制器可在整个MOSFET上实现正向压降,并在电源故障、掉电或输入短路等故障情况下最大限度地减少反向电流瞬变。STPM801支持必须符合汽车安全完整性等级 (ASIL) A-B-C-D 定义的功能安全要求的应用,具体取决于应用TSR。
STPM801采用紧凑型5mm x 5mm VFQFN-32封装,节省PCB空间,无需外部元件。该器件可在4V至65V的宽电源电压范围内工作,具有25µA低静态电流,可确保耐受汽车电气危险,并在车辆断电时最大限度地减少电池消耗。
特性
- 符合AEC-Q100标准
- 单通道
- 宽输入电压范围:4V至65V
- 反向输入保护:-65V
- 两个外部N沟道MOSFET预驱动器
- 一个软起动功能
- 一个O型圈特性
- 静态电流<50μA(WAKE低时)
- 集成电荷泵
- 输入过压保护
- 输入欠压保护
- 输出过流保护
- 符合16750 AC纹波测试要求(50Hz至25kHz)
- 可调节软起动,带外部电容器
- 按照ISO 26262标准开发,支持ASIL D应用
应用
- 分区/车身电子控制单元(ECU)
- 自主驾驶ECU
- 高级辅助驾驶系统 (ADAS)
- 信息娱乐系统ECU
- 冗余功率输送系统
- 双电池设置
框图
发布日期: 2023-05-11
| 更新日期: 2023-07-21

