特性
- NH和NL(750V时),每个开关的RDS(on) 值为6mΩ(典型值)
- BH和BL(1200V时),每个开关的RDS (on) 值为9.5mΩ(典型值)
- 绝缘:3kVRMS
- 集成NTC温度传感器
- 直流总线和中性引线之间的直流链路电容器
- AIN DBC改进了热性能
- 压配触点引脚
规范
- 漏极-源极击穿电压:750V
- 栅极-源极电压:-10V至22 V
- 推荐工作电压:-5V至18V栅极-源极电压
- 漏极电流:180A(连续)(TH = 25°C时)
- 重复峰值漏极电流:360A
- 工作结温范围:-55 °C至150 °C
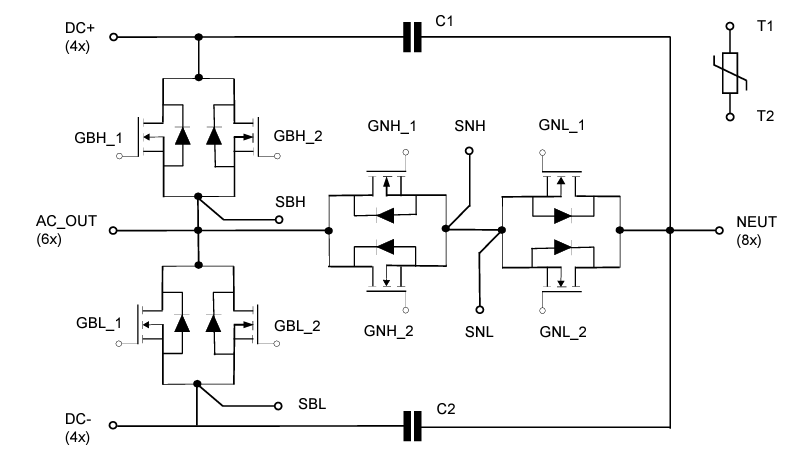
电气拓扑和引脚说明
发布日期: 2024-08-22
| 更新日期: 2024-09-20

