STMicroelectronics L99H92汽车半桥前置驱动器

STMicroelectronics L99H92汽车半桥前置驱动器以单H桥或双独立半桥配置驱动四个外部N沟道MOSFET晶体管,用于汽车应用中的DC电机控制。 还集成了两个可自由配置的电流检测放大器。在低功耗模式(待机模式)下,电流消耗小于5µA。可编程栅极驱动电流可最大限度地降低EMI。每个栅极驱动器均可独立监控其外部MOSFET漏极-源极电压,以发现故障情况。可编程交叉电流保护时间可避免每个半桥的高侧和低侧激活并发。

STMicroelectronics L99H92具有两个断态诊断比较器,可检测潜在的接地短路、电池短路或开路负载情况。集成的标准串行外设接口 (SPI) 可控制器件并提供诊断信息。附加的DIAGN输出引脚可在设备出现故障时以比SPI通信更快的速度向微控制器发出警报。L99H92器件具有诊断和保护功能,例如电源电压监控、电荷泵电压监控、过流保护、温度警告和过热关断。该器件采用TQFP32和QFN32封装,均带有裸露焊盘。QFN32具有可湿性侧翼,便于目测检查焊点。

特性

  • 符合 AEC-Q100
  • 电源工作电压范围为4.51V至28V(栅极驱动器工作电压为5.41V)
  • 3.3V/5V兼容I/O
  • 连接到微控制器、故障安全输入和VDD的所有引脚均可耐受电池暴露
  • 双半桥驱动器与标准电平阈值NMOSFET兼容
  • 可配置的全桥或双独立半桥控制,全桥控制时可编程再循环路径
  • 两级电荷泵支持100% PWM占空比,电池电压低至5.41V
    • 高侧和低侧最小VGS=6.2V,在VDH=5.5V且电荷泵负载电流(ICPLOAD)等于5mA时
    • 高侧和低侧最小VGS=8.2V,在VDH≥8V且电荷泵负载电流(ICPLOAD)等于10mA时
  • 电荷泵输出可用于驱动外部反向电池NMOSFET保护
  • 可编程栅极驱动电流(高达170mA),用于输出电压压摆率控制
  • 可编程漏源监控,用于过流保护和可编程交叉电流保护时间(死区时间)
  • 断态诊断模式下的开路负载和输出短路检测
  • 用于控制和诊断的SPI (ST SPI 4.1)
  • 可编程诊断输出
  • 2个独立的电流检测放大器
    • 低失调和极低热漂移
    • 适合用于高侧、直插式和低侧电流检测
    • 独立可编程增益 (10x、20x、50x、100x)
    • 模拟输出以VDD/2或VDD/22为中心
  • 过热预警和关断
  • 模拟和数字电源输入过压/欠压保护
  • 异步且独立于逻辑的故障安全输入可关闭所有MOSFET
  • 低静态电流
  • 支持高达ASIL B的随机硬件故障
  • QFN32(带可湿性侧翼)或TQFP32 (7mm x 7mm) 封装选项
  • 符合RoHS指令的器件

应用

  • 天窗
  • 电动后备箱升降门
  • 滑动门
  • 车窗升降器、安全带预紧器等

框图

框图 - STMicroelectronics L99H92汽车半桥前置驱动器

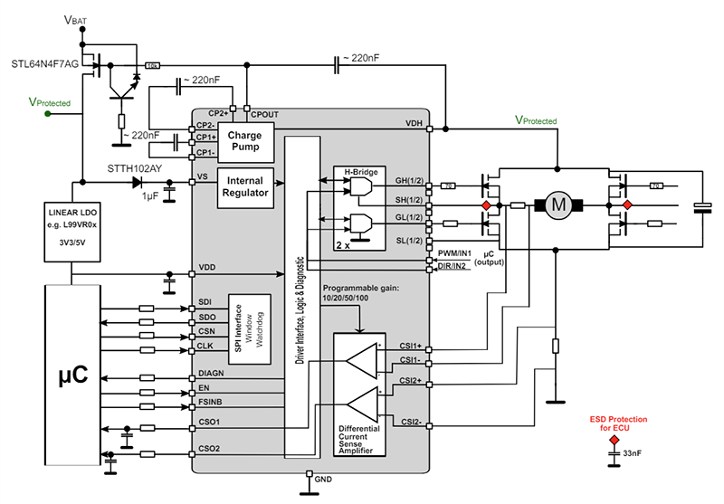
应用原理图

应用电路图 - STMicroelectronics L99H92汽车半桥前置驱动器
发布日期: 2024-05-02 | 更新日期: 2024-05-14