STMicroelectronics L99VR02XP双路车用稳压器
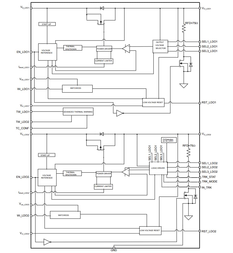
STMicroelectronics L99VR02XP 双路汽车应用稳压器采用 PowerSSO-36 封装,适用于汽车应用。LDO 的输出电流高达 2x250mA,当稳压器被禁用时,其静态电流低至 1μA(每个输出)。此输入的抛负载保护至40 V,而工作输入电压范围在2.15 V和28 V之间。每个 L99VR02XP 输出都可以通过 SELx 引脚 进行配置,以产生固定的 输出电压(0.8 V 、 1.2 V 、 1.5 V _、 1.8 V token4_、 2.5 V 、 2.8 V 、 3.3 V 或 5 V)。在宽温度范围、线路和负载变化下,输出电压精度(±2%)得到保持。STMicro L99VR02XP稳压器向用户提供重置、启用、自主Watchdog、高级热警告、热集群及快速输出放电功能。根据LDO2与内部LDO1(或外部稳压器或IShort控制)的相互影响,能够对LDO2进行自动电压跟踪与解除跟踪。稳压器输出电流在内部受到限制,从而避免设备发生短路和过载问题。同样,该器件还具有过热保护功能;短路电流数值可通过外部电阻进行调配。L99VR02XP 可以在稳压后运行,连接至预稳压电压,或者直接与电池相连。
特性
- 符合 AEC-Q100
- 工作直流电源电源电压范围:2.15V至 28V
- 输出端保护与电池短路
- 支持电池工作模式和后置稳压工作模式
- 低压差电压
- 低静态电流消耗
- 双路输出电压
- 用户可选型输出电压(0.8V、1.2V、1.5V、1.8V、2.5V、2.8V、3.3V或5V)
- 输出电压精度:±2%
- 使能输入,用于启用/禁用稳压器
- 输出电压监视,复位输出功能
- 可忽略ESR对负载电容器输出电压稳定性的影响
- 可编程的自主Watchdog,通过外部电容器实现脉冲延迟的重置
- 欠压闭锁 (UVLO)
- 快速输出放电
- 过热关闭与短路保护功能
- 高级热温报警与过电压诊断功能
- 热簇
- 可编程短路输出电流
- 宽工作温度范围(从TJ = -40°C至+175°C)
- LDO2相对于LDO1或外部稳压器的自动电压(去)跟踪
- 针对需要遵循ISO 26262标准中ASIL要求的客户,我方提供一定的文档支持
规范
- 电源电压最大值(负载):40 V
- 输出电压容差:±2%(最大值)
- 输出电流:2 x 250 mA
- 静态电流:≤1µA
方框图
发布日期: 2025-07-22
| 更新日期: 2025-11-06
