STMicroelectronics STEVAL-MKI236A 2xASM330LHB适配器板
STMicroelectronics STEVAL-MKI236A 2xASM330LHB适配器板旨在方便ASM330LHB产品系列中MEMS设备的评估。该适配器包括完整的ASM330LHB引脚分配和VDD 和VDDIO 电源线上现成的去耦电容器。STEVAL-MKI236A板可以插入标准DIL24插座,为快速系统原型设计和设备评估提供了有效的解决方案。该适配器板支持STEVAL-MKI109V3母板,该母板包含一个高性能32位微控制器,用作传感器和PC之间的桥梁。典型应用包括卫星精确定位、ADAS系统、主动悬架、雷达、LiDAR和数码相机稳定,以及运动激活的功能。应用
- 卫星精密定位
- ADAS系统
- 主动悬架
- 雷达、lidar和摄像头数字稳定
- 运动激活的功能
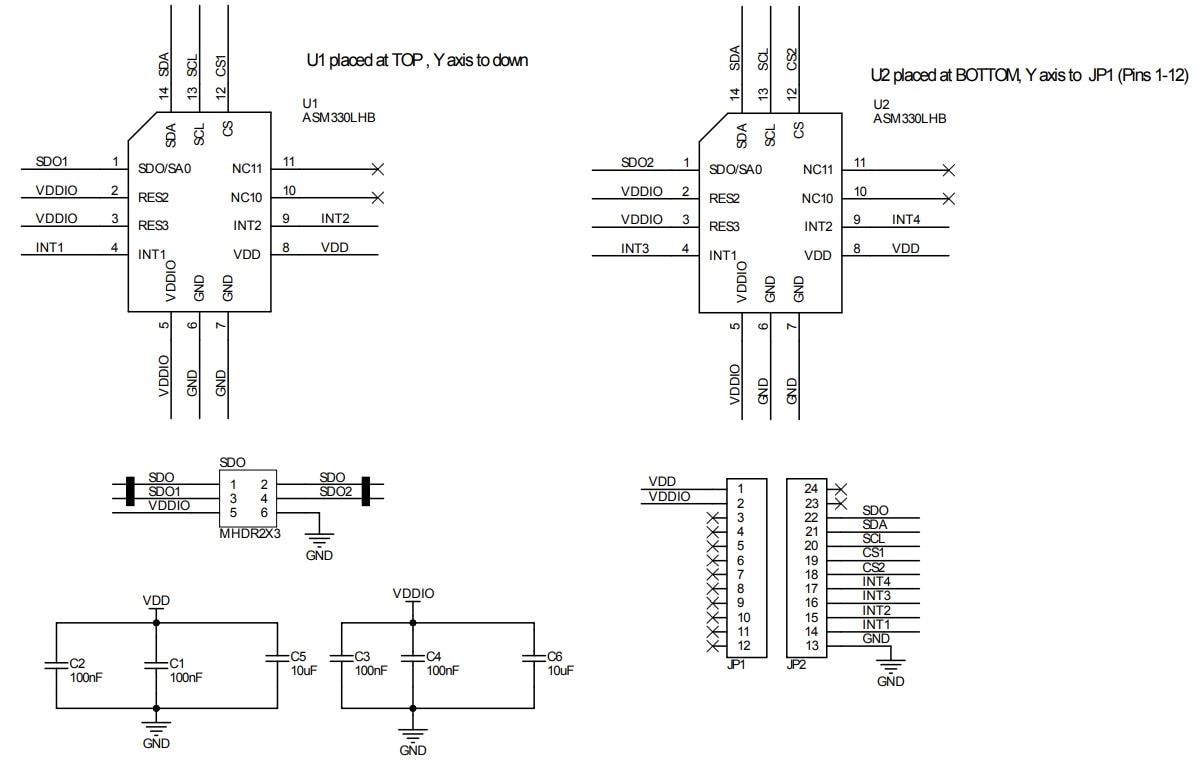
电路原理图
发布日期: 2023-04-26
| 更新日期: 2023-05-03
