STMicroelectronics STEVAL-MKI243A适配器板
STMicroelectronics STEVAL-MKI243A适配器板设计用于评估LPS33HW MEMS器件,可快速在用户’应用中建立系统原型,并直接进行器件评估。该评估板可插入标准的DIL 24插座。该随时可用的适配器可与VDD电源线路上所需的去耦电容器配合使用,提供完整的ASM330LHHXG1引脚分配。该适配器由STEVAL-MKI109V3主板提供支持,该主板包括一个高性能32位微控制器,该微控制器在传感器和PC之间起到桥接的作用,支持使用可下载的图形用户界面 (Unico-GUI) 或专用软件例程来定制应用。该适配器板还可通过使用UNICLEO插入X-NUCLEO-IKS01A3和X-NUCLEO-IKS02A1板。特性
- 针对标准DIL 24插槽的完整ASM330LHHXG1引脚分配
- 完全兼容STEVAL-MKI109V3主板
- 符合RoHS指令
应用
- 汽车交通服务
- 保险黑匣子
- eCall
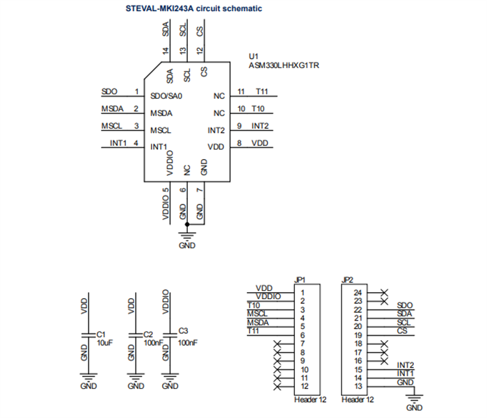
原理图
发布日期: 2023-11-03
| 更新日期: 2023-11-10
