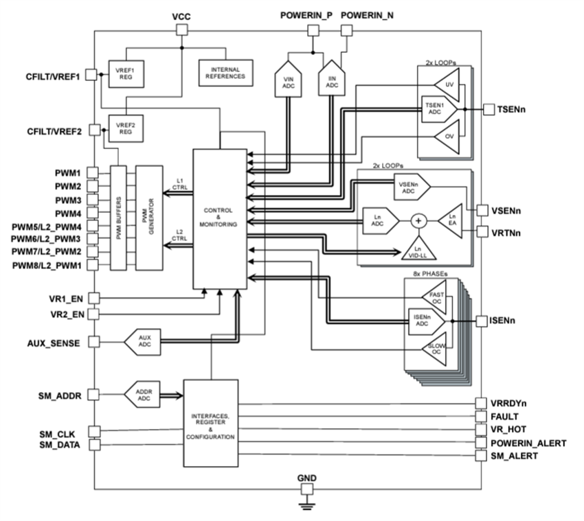
STMicroelectronics STPM098C支持符合第1.2版标准的PMBus通信,具有八个可能的接口地址值,用于报告电压、电流、功率、温度和故障信号的遥测数据。可编程参数可通过PMBus接口进行配置并存储于片上NVM,最大限度减少外部元器件数量。此外,STPM098C还提供广泛的监控单元系统和故障保护,包括输出电压的独立欠压/过压 (UV/OV)、环路反馈断开、相位电流不平衡,以及正负相电流的双阈值过流。
特性
- 保护和诊断
- PMBus™可读输入遥测(电压、电流、功率)
- PMBus为输入指标提供可配置过流、欠压和过功率诊断及保护
- 每个环路的PMBus可读输出遥测数据(电压、电流、温度)
- PMBus为每个环路的输出指标提供可配置欠流/过流、欠压/过压诊断及保护
- PMBus为每个环路的输出级均提供可配置热警告和热关断诊断及保护
- PMBus可读单相电流遥测
- PMBus可配置单相过流诊断及保护
- PMBus可配置通用UV/OV诊断彻底引脚AUX_SENSE
- 反馈环路断开诊断
- 内部过热诊断及保护
- PMBus可读Tj测量
- 接地损耗诊断
- 系统时钟监控
- 电源引脚VCC 、VREF1 、VREF2 过压和欠压诊断
- 通过SM_ALERT、FAULT、VRRDY1和VRRDY2引脚输出故障状态标志
- 符合 AEC-Q100
- 两个环路之间的相位分配:8+0至4+4
- 输出电压范围:0.5 V至2 V
- 工作电压范围:4.75 V至5.25 V
- 开关频率范围:200kHz至1.5MHz
- 轻负载的可编程动态切相操作和超轻负载的有源二极管仿真
- 高性能数字控制环路
- 嵌入式CPU ARM cortex™ M0+,频率为40MHz
- 嵌入式NVM
- PmBus™ 1.2版(400kHz最大频率)
- 工作温度范围:-40 °C至+125 °C
- -40 °C至+150 °C结温范围
- 完全符合ISO26262标准,支持ASIL-D系统
- 7.0mm x 7.0mm x 0.9mm,VFQFN 48+4L封装
应用
- ADAS系统
- 大功率微处理器
- DDR存储器
简化框图
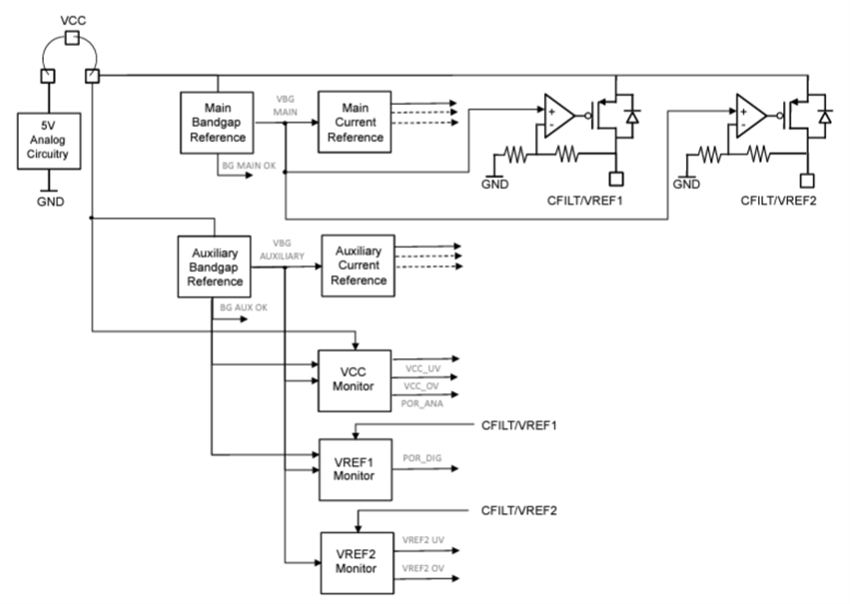
内部电源简化框图
VCC 电源是STPM098C的主电源输入。VCC 电源轨通过向后续内部用途电路(即禁带、监控单元和内部稳压器控制环路)供电来启动上电和断电序列。从VCC 引脚开始,参考结构复制为两个独立实例,以避免共因故障(一个主实例和一个辅助实例)。
VREF1稳压器简化框图
STPM098C数字内核的内部电源轨由限流LDO稳压器生成,该稳压器具有PMOS输出级和VCC 引脚供电的外部储能电容。此外,VREF1 稳压器设计用作多达八个外部DrMOS电流测量模拟输出的参考电压。
VREF2稳压器简化框图
PWM输出缓冲器的内部电源轨由限流LDO稳压器生成,该稳压器具有PMOS输出级和VCC 引脚供电的外部储能电容。VREF2 稳压器设计用作PMBus引脚SM_DATA、SM_CLK和SM_ALERT外部上拉电阻 (4.7kΩ) 的电源电压。
发布日期: 2024-11-26
| 更新日期: 2025-01-08

