STMicroelectronics STSPIN948可扩展双路全桥驱动器
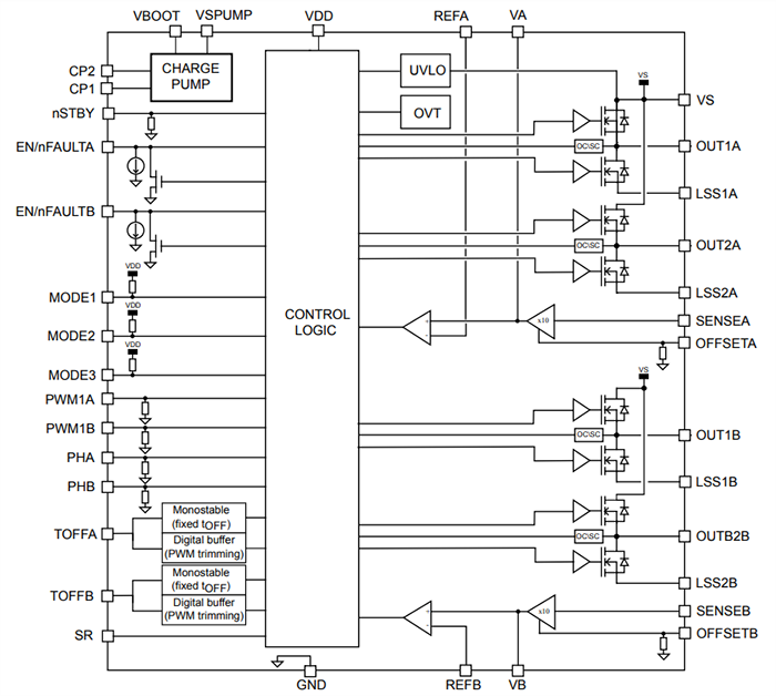
STMicroelectronics STSPIN948可扩展双路全桥驱动器是一款用于有刷直流电机或双极步进电机的4.5A器件。功率级采用高动态性能设计,使用户能够以精确的占空比实现高频PWM控制。每个全桥都是独立的,具有可调节阈值电流限流器和关断时间,并可选择慢速或混合衰减。通过采用外部分流电阻器,两个具有固定放大系数的放大器可提供电流检测。可调节转换速度可确保性能与EMI之间达到最佳平衡。多功能 功率级提供多种操作方式,具有高水平的灵活性。STMicroelectronics STSPIN948提供一整套保护功能,包括过电流、过热和总线电压低检测。特性
- 工作电压高达58V
- 最大输出电流高达4.5ARMS
- 5种驱动方法,具有全桥和双路半桥并联模式
- RDS(ON) HS + LS = 0.36Ω(典型值)
- 可调节功率MOS压摆率
- 集成放大器采用2种不同的嵌入式电流控制技术
- 关闭时间可调,可选择慢速或混合衰减。
- 低功耗待机
- 保护
- UVLO
- 过流保护
- 热关断
应用
- 舞台灯光
- 工厂自动化
- ATM和现金处理机
- 纺织机械
- 家用电器
- 机器人
- 天线控制
- 自动售货机
规范
- 控制逻辑电源电压范围:2.8V至3.6V
- 功率级电源电压范围:5.2V至58V
- 电源电压梯度最大值:0.5V/µs
- 自举超速电压典型值:3V
- 低侧电源电压范围:-0.6V至+1V
- 逻辑输入范围:0V至5V
- 直流输出电流最大值高达4.5ARMS
- 开漏输出灌电流最大值高达8mA
- 限流器时间设置 电阻器范围:10kΩ至120kΩ
- 限流器时间设置电容器范围:0.1nF至5.6nF
- 最小PWM脉宽:280ns
- 充电泵电容器充电时间典型值:170µs
- 开关频率范围:0kHz至500kHz
- 自举电容器典型值:1µF
- 充电泵电容器典型值:100nF
- 温度范围
- 环境温度范围:-40°C至+85°C
- -40°C至+150°C接合点
框图
视频
发布日期: 2023-07-24
| 更新日期: 2025-12-18
