TSB7192具有多种特性,包括宽带宽、压摆率、低噪声、轨到轨能力和高精度。得益于这些特性,TSB7192适用于各种应用,例如滤波器、电源/电机控制、执行器驱动、霍尔效应传感器和电阻传感器。
特性
- 轨到轨输入和输出
- 低失调电压:最大值为300µV
- 宽电源电压范围:2.7V至36V
- 增益带宽积:22MHz
- 压摆率:12V/µs
- 低噪声:12nV/√Hz
- 在增益为+10/-9时稳定运行
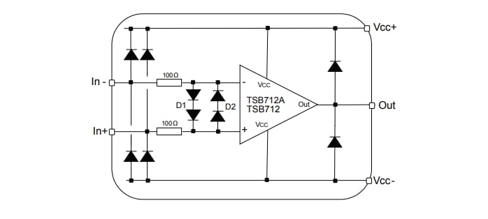
- 集成EMI滤波器
- 标准SO8和miniSO8封装
- 2kV HBM ESD容限
- 扩展温度范围:-40°C至+125°C
- 可提供汽车级版本
应用
- 高侧和低侧电流检测
- 霍尔效应传感器
- 数据采集和仪器仪表
- 测试与测量设备
- 电机控制
- 工业过程控制
- 应变计
视频
输入电流限制
发布日期: 2019-02-14
| 更新日期: 2024-01-26

