STMicroelectronics TDA7388A 4x42W 四通道桥接
接汽车无线电放大器

STMicroelectronics TDA7388A 4x42W 四通道桥接放大器是 AB 级音频功率放大器,采用了 Flexiwatt 27 封装。这些 STMicroelectronics 器件被设计用于高端汽车无线电应用,具有高输出功率、低失真和低输出噪声。TDA7388A 具有完全互补的 PNP/NPN 结构,无需自举电容即可实现轨对轨的输出电压摆幅。TDA7388A 四通道桥接汽车无线电放大器还配备了钳位检测和失调检测功能。

特点
  • 高输出功率性能:
    • 4x42W/4Ω 最大值
    • 4x27W/4Ω @ 14.4V, 1KHz, 10%
  • 低失真
  • 低输出噪声
  • 待机功能
  • 静音功能
  • 检测到最小电源电压时自动静音
  • 外部元件数量少:
  • 钳位检测电路
  • 失调检测电路
  • 易于诊断:
    • 输出到 GND 短路
    • 输出到 VS 短路
    • 热关断
应用
  • 高端汽车无线电

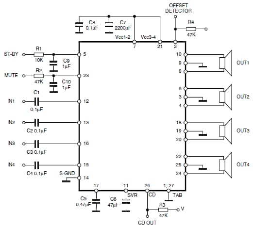
应用电路

Application Circuit
  • STMicroelectronics
  • Audio
  • Semiconductors|Integrated Circuits|IC-Amplifier|IC-Audio
发布日期: 2011-11-14 | 更新日期: 2022-03-11