TDK-Lambda RSEV EMC滤波器

TDK-Lambda RSEV系列6A至30A、250VAC EMC滤波器集成了带系紧螺钉的端子块。与其他TDK-Lambda滤波器相比,RSEV EMC滤波器的频率为60Hz,尺寸更小。槽头螺钉无需要端子盖。这种系紧连接螺钉防止对硬件造成损坏。应用包括电信/数据通信、工业、测试与测量。

特性

  • 集成了带系紧螺钉的端子块
  • 尺寸紧凑
  • 符合UL、CSA和EN安全机构认证

应用

  • 电信/数据通信
  • 工业
  • 测试与测量

规范

  • 250VAC输入电压
  • 额定电流:6A至30A
  • 频率:60Hz
  • 工作温度范围:-25°C至+85°C

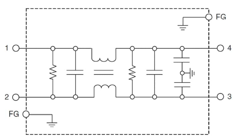
电路图

应用电路图 - TDK-Lambda RSEV EMC滤波器
发布日期: 2018-02-20 | 更新日期: 2023-01-16