EPCOS / TDK HVC27-500C-24P高压接触器
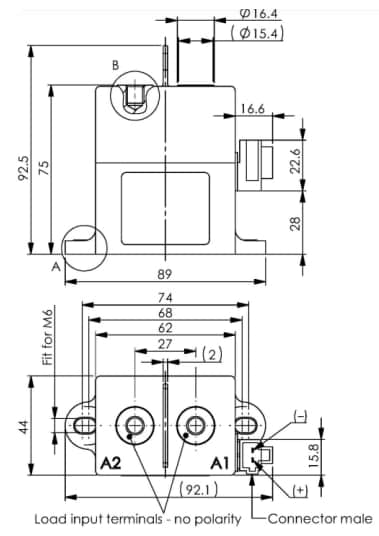
EPCOS/TDK HVC27-500C-24P高压接触器采用气体填充,用于高压直流 (DC) 开关,工作温度范围为-40°C 至+85°C。该接触器具有一个24V线圈,主端子无极性,1000V
DC额定电压和500A额定电流。EPCOS/TDK HVC27-500C-24P高压接触器适用于牵引 电池系统、储能系统 (ESS) 和直流 (DC) 快速充电系统。
规范
- 触点布置:1A
- 内部触点间隙:3.2 mm
- 最大工作电压:1000VDC
- 在100A DC下的典型触点电阻为0.125mΩ
- 绝缘电阻:≥ 1GΩ
- 工作温度范围:-40 °C至+85 °C
相关接触器
采用坚固耐用的设计,可满足恶劣环境下的高压直流 (DC) 开关需求。
发布日期: 2025-02-05
| 更新日期: 2025-12-16