EPCOS / TDK CarXield B84252功率EMC滤波器
TDK CarXield B84252电源EMC滤波器经过精心设计,可在电力线应用中提供出色的EMI抑制。B84252A0200A000的额定电压为500VDC,电流额定值为200A至400A,而B84252B0400A000的额定电压为1000VDC,电流额定值为400A。这两款滤波器均提供高衰减和紧凑设计。CarXield滤波器是EMI噪声抑制的理想选择,可有效抑制共模和差模噪声,确保敏感设备的可靠运行。TDK CarXield B84252电源EMC滤波器具有无源放电电路、易于安装、设计紧凑以及电阻恶劣环境条件等特点。特性
- 无源放电电路
- 安装方便快捷
- 紧凑设计
- 恶劣环境条件
- 所用Y2电容器
- 使用X2电容器(仅限B84252A0200A000)
应用
- 各种拓扑结构
- 电机逆变器
- 电池
- EMI降噪
- 商用和乘客电动汽车
规范
- 一般特性
- 工作温度范围:-40 °C至+85 °C
- 防护等级: IP00
- UL 94 V-0可燃性等级
- 金属外壳/塑料盖
- 采用纳米晶芯
- 符合RoHS、REACH和GADSL标准
- B84252A0200A000
- 额定电压:500VDC
- 额定电流:200 A至400 A
- B84252B0400A000
- 额定电压:1000VDC
- 额定电流:400 A
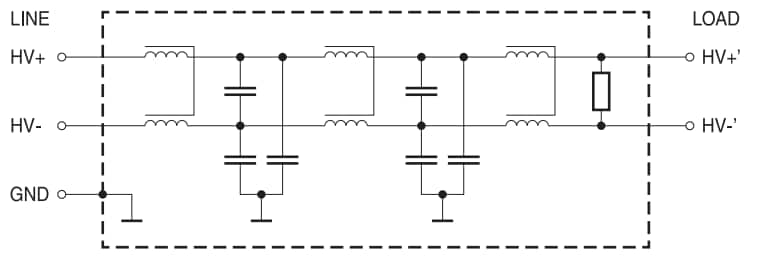
典型电路图
视频
发布日期: 2025-05-08
| 更新日期: 2025-12-19
