TDK InvenSense IIM-42653 SmartIndustrial™ MotionTracking器件
TDK InvenSense IIM-42653 6轴SmartIndustrial™ MotionTracking器件支持-40°C至+105°C的扩展工作温度范围。该器件在紧凑的2.5mmx3mmx0.91mm封装中集成了3轴陀螺仪和3轴加速度计。IIM-42653器件具有2KB FIFO,可降低串行总线接口上的流量,并通过允许系统处理器读取传感器数据并切换到低功耗模式来降低功耗。支持高精度外部时钟输入,以减少系统级灵敏度误差,改善陀螺仪数据的整体方向测量。主机接口能支持I3CSM sub、I2C sub或SPI sub模式。I3CSM 接口支持高达12.5MHz的速率,而I2C接口支持高达1MHz的速率,SPI接口支持高达24MHz的速率。TDK InvenSense IIM-42653 6轴SmartIndustrial MotionTracking器件适用于导航、定向设备、倾斜传感和机器人应用。特性
- 数字输出X、Y和Z轴加速度计
- 数字输出X、Y和Z轴角速率传感器(陀螺仪)
- 用户可编程中断
- I3CSM /I2C/SPI sub主机接口
- 数字输出温度传感器
- 轻薄小巧封装
- 晶圆级密封和粘合的MEMS结构
应用
- 导航
- 方向测量
- 倾斜传感
- 平台稳定性
- 机器人
规范
- 14针LGA封装
- 工作电压范围:1.71 V至3.6 V
- 尺寸:2.5 mmx3 mmx0.91 mm
- 20,000 g抗冲击能力
- 符合RoHS指令的绿色器件
- 工作温度范围:-40 °C至+105 °C
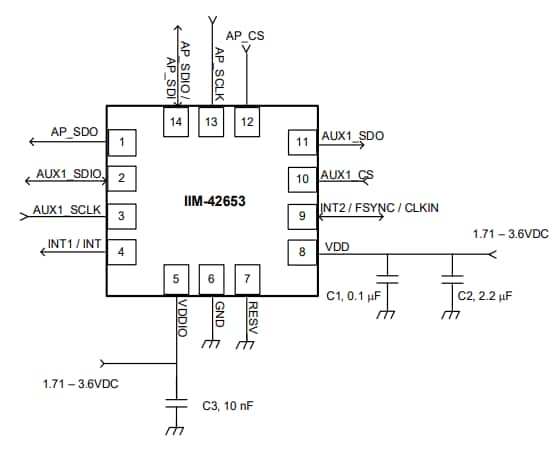
典型工作电路
发布日期: 2024-03-20
| 更新日期: 2024-08-29
