TE Connectivity KEB和KES三相通用EMI滤波器

TE Connectivity (TE) KEB和KES三相通用EMI滤波器是单级器件,有3线Δ (KEB) 和4线 WYE (KES) 版本可供选择。TE KEB和KES三相通用EMI滤波器采用扁形、螺柱或防冲击端子,电流范围为1A至150A,最大连续工作范围为440VAC /520VAC 。应用包括工业自动化、暖通空调、整流器和计算机数字控制 (CNC) 机器。

特性

  • 单态、三线Δ (KEB)或4线 WYE (KES)
  • 扁平、螺柱或防冲击端子
  • 通用(三相,中性)
  • 标准衰减性能
  • 机箱安装
  • 经UL认可和CSA认证

应用

  • 工业自动化
  • 暖通空调
  • 整流器 (KEB)
  • 数控机床 (KES)

规范

  • 最大连续工作电压:440VAC 或520VAC
  • 额定电流:1A至150A(+40°C时)
  • 工作频率:50Hz或60Hz
  • 工作温度范围:-25 °C至+85 °C

数据手册

KEB电路图

应用电路图 - TE Connectivity KEB和KES三相通用EMI滤波器

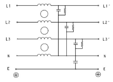
KES电路图

应用电路图 - TE Connectivity KEB和KES三相通用EMI滤波器
发布日期: 2020-09-16 | 更新日期: 2024-10-09