特性
- 快速轻松地将COB LED组装到灯具中
- 光学器件靠近发光区域
- 120°光学角度,可将光损失降至极低水平
- 简化了LED之间的互通性(符合Zhaga标准)
- 薄型设计
- 插入式触点
- 无卤素
- 高反射率
- LED夹钳
- 高COB板尺寸容差
- LED的压力可均匀分布在散热器上
规范
- 电流:3A(最大值)
- 电压:60V DC(最大值)
- 工作温度范围:-40°C至105°C
- 使用4号或M3尺寸的螺钉进行安装
- 插入式电气触点,支持18AWG - 22AWG(0.35mm² - 0.75mm²)实芯线、熔丝和绞线
- 符合Zhaga book 3标准
- 无卤素高反射率PBT
- 铜合金镀金触点
应用
- 聚光灯
- 筒灯
- 轨道灯
- 路灯
- 一般照明
- 园艺照明
其他资源
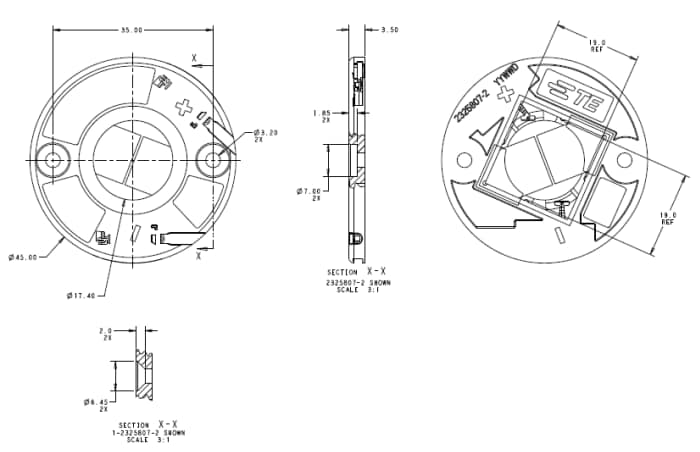
产品尺寸
发布日期: 2018-06-25
| 更新日期: 2025-05-08

