TE Connectivity / Measurement Specialties MEAS Weather Shield

Measurement Specialties/TE Connectivity MEAS Weather Shield可为将HTU21D数字相对湿度传感器、MS5637数字气压传感器、TSYS01数字温度传感器、MS8607数字相对湿度和数字压力传感器、 TSD305-1C55数字热电堆传感器连接至利用可针对I2C通信配置的Arduino兼容扩展端口的任何系统提供必要的硬件。 有64个插头孔焊盘,能够用于焊接外部器件,然后插在主板上进行测试。

特性

  • Provides the necessary hardware to interface sensors to any system that utilizes Arduino compatible expansion ports configurable for I2C communication
  • Includes HTU21D digital relative humidity sensor, MS5637 digital barometric pressure sensor, TSYS01 digital temperature sensor, MS8607 digital relative humidity and digital pressure sensor, and TSD305-1C55 digital thermopile sensor
  • 64 plug hole pads that can be used for soldering external devices, then plug on the motherboard for testing5

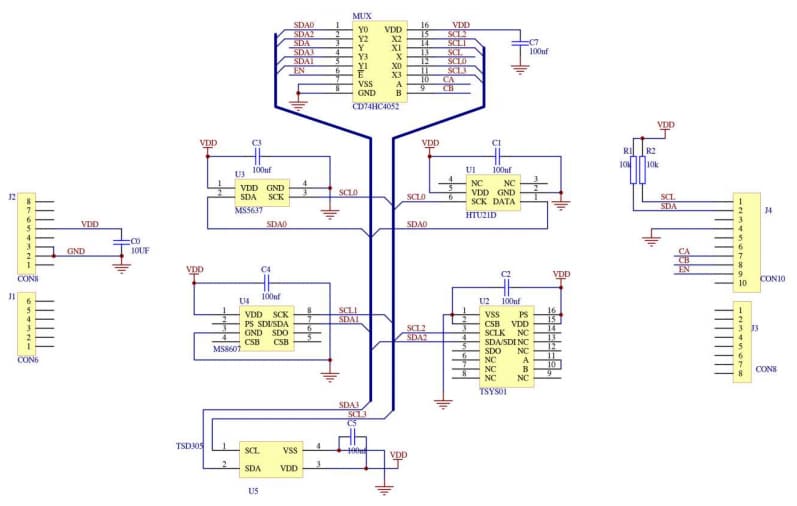
Schematic

原理图 - TE Connectivity / Measurement Specialties MEAS Weather Shield
发布日期: 2016-08-09 | 更新日期: 2024-12-19