TE Connectivity
板对板螺丝旋紧式跳线组件
用于LED应用的2位连接器

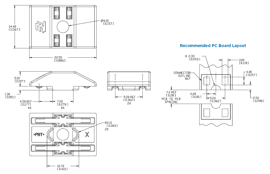
TE Connectivity板对板螺丝旋紧式跳线组件可为多个印刷电路板中的2个相邻印刷电路板提供电气连接。 配有一个2位连接组件,可安装在用一枚螺丝固定到散热器(或基板)上的16.50mm宽印刷电路板,以确保连接器组件的触点完全与印刷电路板焊盘接触。 TE Connectivity板对板螺丝旋紧式跳线组件适用于T8-T12返修荧光LED灯泡、LED照明灯条和控制装置、立体发光字



TE Connectivity板对板跳线组件










查看产品列表

描述
这款板对板螺丝旋紧式跳线组件可为多个印刷电路板中的2个相邻印刷电路板提供电气连接。

应用
T8-T12返修荧光LED灯泡
LED照明灯条
LED照明控制装置
立体发光字

电气
工作电流:5 A
工作电压:250VAC/250VDC
电介质耐压:1500 VAC

材料
触点:镀锡铜合金
外壳:UL 94 V0热塑性塑料
ETL认证,档案号:3178692CRT-001符合UL (1977)

机械
工作温度:-40ºC至+105ºC
插配周期:10
螺丝紧固扭矩:0.11Nm [0.97 Lb-ln]最大值

标准和规范
114-13260:螺丝旋紧式跳线组件应用规范
108-2392:螺丝旋紧式跳线组件产品规范


主要特点

  • 2位连接组件
  • 连接器组件相邻印刷电路板上的附件,通过螺丝固定在散热器上,将电气触点完全贴紧在印刷电路板焊盘上
  • 连接器组件可安装到16.50mm [0.650]宽的印刷电路板上
  • 7.0mm [0.276]印刷电路板间距
  • 对准功能可使连接器组件与印刷电路板切线对齐
  • 使用6号螺丝(恕不奉送)将连接器 组件固定到散热器或基板的螺纹孔中
  • 6号螺丝应镀锌或具有同等保护性镀层以防止腐蚀
  • 用户提供6号螺丝
  • 管装组件
  • 符合RoHS标准


关联产品:
端盖板和表面贴装组件









产品尺寸







  • TE Connectivity
  • Lighting
  • Connectors|Lighting Connectors
发布日期: 2010-03-25 | 更新日期: 2022-03-11