Texas Instruments ADC342x四通道14位ADC
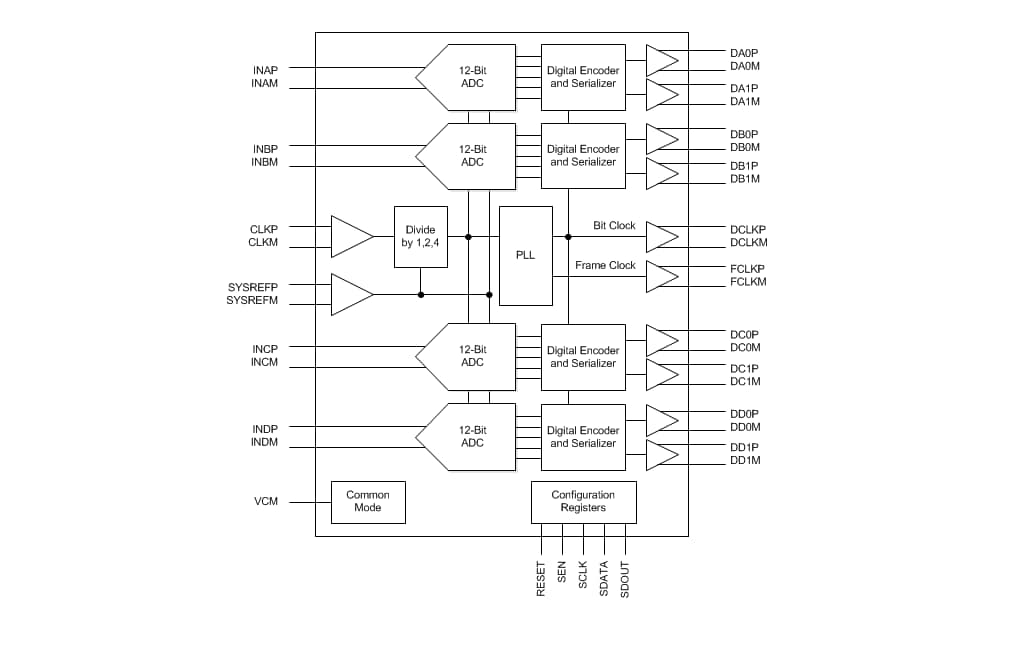
Texas Instruments ADC342x四通道12位模数转换器属于高线性、超低功耗、四通道、12位、25MSPS至125MSPS模数转换器 (ADC)。该器件专门设计用于支持具有宽动态范围需求且要求苛刻的高输入频率信号。输入时钟分频器提高了系统时钟架构的设计灵活性,SYSREF 输入实现整个系统的同步。ADC342x支持串行低压差分信号(LVDS)接口,从而减少接口线路的数量,实现高系统集成度。串行 LVDS 接口为双线制,通过两个 LVDS 对,串行化并输出每个 ADC 数据。内部锁相环 (PLL) 会将传入的ADC采样时钟倍频,以获得串行输出各通道的12位数据时所使用的位时钟。特性
- 四通道
- 12位分辨率
- SNR = 70.2dBFS,SFDR = 87dBc(fIN = 70MHz时)
- 与14位版本器件引脚到引脚兼容
- 超低功耗
- 98mW/Ch (125MSPS)
- 封装:VQFN-56 (8mm×8mm)
应用
- 多载波、多模式蜂窝基站
- 雷达和智能天线阵列
- 炮弹制导
- 电机控制反馈
- 网络和矢量分析
- 通信测试设备
- 无损检测
- 微波接收器
- 软件无线电(SDR)
- 正交和分集无线电接收器
Datasheets
框图
发布日期: 2016-01-22
| 更新日期: 2025-06-24
