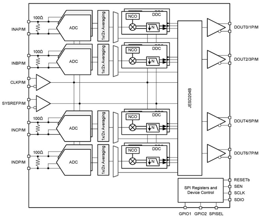
每个ADC通道都可以通过48位NCO连接到双频带数字下变频器(DDC)。此功能支持相位相干跳频,通过使用GPIO引脚进行NCO频率控制,可在不到1µs的时间内实现。Texas Instruments ADC34RF55支持具有子类1确定性延时的JESD204B串行数据接口,使用高达13Gbps的数据速率。每个ADC通道只有2条串行器/解串器通道。高能效ADC架构在1.5GSPS时功耗为1.2W/ch,并以较低的采样率提供功率调节。
特性
- 14位四通道3GSPS ADC
- 最大输出速率:1.5GSPS
- 噪声频谱密度
- 未求平均值时为-156dBFS/Hz
- 取2次平均值时为-158dBFS/Hz
- 单核(非交错)ADC架构
- 孔径抖动:50fs
- 低近端残留相位噪声:-127dBc/Hz(10kHz偏移时)
- 频谱性能(fIN =0.9GHz,-4dBFS)
- 2x内部平均
- SNR:62.3dBFS
- SFDR HD2,3:63dBc
- SFDR最严重毛刺:85dBFS
- 频谱性能(fIN =1.8GHz,-4dBFS)
- 2x内部平均
- SNR:63dBFS
- SFDR HD2,3:68dBc
- SFDR最严重毛刺:86dBFS
- 满量程输入:1.1、1.35Vpp(2、3.5dBm)
- 误码率(CER):10-15
- 全功率输入带宽(-3dB):2.75GHz
- JESD204B串行数据接口
- 最大通道速率:13Gbps
- 支持子类1确定性延迟
- 数字下变频器
- 每个ADC通道最多两个DDC
- 复杂输出:4x至128x抽取
- 48位NCO相位相干跳频
- 快速跳频:<1μs
- 功耗:1.2W/通道
- 电源:1.8V、1.2V
应用
- 相控阵雷达
- 软件定义无线电(SDR)
- 频谱分析仪
- 高速数字转换器
- 线缆基础设施
- 电子战
- 通信基础设施
功能框图
发布日期: 2024-06-18
| 更新日期: 2024-06-26

