Texas Instruments ADC358x使用串行LVDS (SLVDS) 接口输出数据,从而最大限度地减少数字互连数量。该器件支持单通道和双通道选项。ADC358x是引脚对引脚兼容系列,具有不同速度等级。它采用40引脚QFN封装 (5mm x 5mm),支持-40⁰C至+105⁰C扩展工业温度范围。
特性
- 18位10/25/65MSPS ADC
- 噪声本底:-160dBFS/Hz
- 77mW (10MSPS) 至119mW (65MSPS) 超低功耗,优化功率调节
- 一个时钟周期(1线SLVDS)延迟
- 指定18位,无失码
- INL/DNL:±7/±0.7LSB(典型值)
- 基准(外部或内部)
- 900MHz (3dB) 输入带宽
- 工业温度范围:-40°C至+105°C
- 片上数字滤波器(可选)
- 抽取2、4、8、16、32
- 32位NCO
- 串行LVDS数字接口(2线、1线和1/2线)
- 40-WQFN (5mm × 5mm) 小尺寸封装
- 频谱性能 (fIN=1MHz)
- SNR:84.5dBFS
- SFDR:95dBc HD2、HD3
- SFDR:100dBFS最差杂散
- 频谱性能 (fIN=20MHz)
- SNR:83.5dBFS
- SFDR:90dBc HD2、HD3
- SFDR:95dBFS最差杂散
应用
- 高速数据采集
- 工业监控
- 软件定义无线电
- 电源质量分析仪
- 源测量单元 (SMU)
- 通信基础设施
- 频谱分析仪
- 控制环路
- 仪器仪表
- 影像
- 光谱
- 雷达
- 声纳
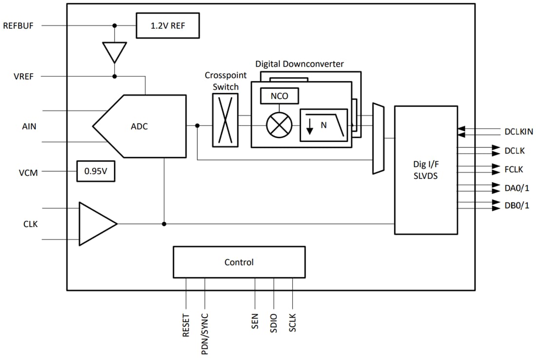
功能框图
发布日期: 2022-12-12
| 更新日期: 2023-01-05

