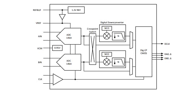
TI ADC364x提供出色的直流精度和中频采样支持,是各种应用的理想选择。它使用DDR或串行CMOS接口输出数据,提供功耗最低的数字接口和灵活性,从而最大限度地减少数字互连的数量。这些器件是引脚对引脚兼容的系列,具有不同的速度等级。
ADC364x ADC支持-40至+105°C的扩展工业温度范围,采用40引脚VQFN封装。
特性
- 双通道
- 14位10/25/65MSPS ADC
- 噪声基底:-155dBFS/Hz
- 超低功耗,将29mW/ch(10MSPS)优化为72mW/ch(65MSPS)
- 延迟为一个时钟周期
- 14位,无失码
- INL:±0.6LSB;DNL:±0.2LSB
- 外部或内部基准
- 工业温度范围:−40°C至+105°C
- 片上数字滤波器(可选)
- 抽取2、4、8、16、32
- 32位NCO
- DDR和串行CMOS接口
- 40-VQFN(5mm×5mm)封装占用空间小
- 1.8 V 单电源供电
- 频谱性能(fIN = 5MHz)
- SNR:79.0 dBFS
- SFDR:93dBc HD2、HD3
- SFDR:101dBFS最差杂散
- 频谱性能(fIN = 64MHz)
- 信噪比为74.0dBFS
- SFDR:84dBc HD2、HD3
- SFDR:90dBFS最差杂散
应用
- 高速数据采集
- 工业监控
- 热成像
- 成像和声呐
- 软件定义无线电
- 电源质量
- 通信基础设施
- 高速控制环路
- 仪器仪表
- 智能电网
- 光谱
- 雷达
- 源测量单元 (SMU)
- GPS接收器
- 声纳
- 变电站自动化
框图
发布日期: 2020-12-15
| 更新日期: 2024-10-18

