提供额外的多路复用16位ADC (ADC2A),用于使用外部高压电阻分压器测量系统中的分流温度和其他电压(例如电池组电压)。使用外部温度传感器(例如热敏电阻或模拟输出温度传感器)测量分流温度。ADC2A配备通道序列器,可通过配置的多路复用器输入自动步进,从而减少SPI上的通信。
该器件集成了诸多监控和诊断功能,可减少和检测随机硬件故障,从而有助于开发功能安全的BMS。输入范围上至16V的内部线性稳压器,支持使用非稳压直流/直流转换器为器件供电。Texas Instruments ADS131B23/ADS131B23-Q1采用48引脚HTQFP封装,额定工业温度范围为–40°C至+105°C。ADS131B23-Q1器件符合汽车应用类AEC-Q100认证。
特性
- 两个同步采样24位ADC(ADC1A、ADC1B),用于电流分流测量
- 可编程满量程范围
- ±39mV至±312.5mV
- 支持各种分流电阻器值和电流测量范围
- 实现高精度电流分流测量
- 失调误差:±1.5µV(最大值)
- 增益漂移:25ppm/°C(最大值)
- 可编程数据速率:500SPS至64kSPS
- 每个ADC数字过流比较器,具有可编程阈值,用于快速过流检测
- 可编程满量程范围
- 一个多路复用16位ADC (ADC2A),用于电压和温度测量
- 八个模拟输入
- 可编程满量程范围:±312.5mV至±1.25V
- 通道定序器
- 监控和诊断功能,可减少和检测随机硬件故障
- 电源电压范围:2.9V至16V
- SPI兼容接口
- 9个GPIO ,具有 PWM 功能
应用
- 电池储能系统 (ESS)
- 分流测量
- 使用外部电阻分压器进行电压测量
- 使用热敏电阻或模拟输出温度传感器进行温度测量
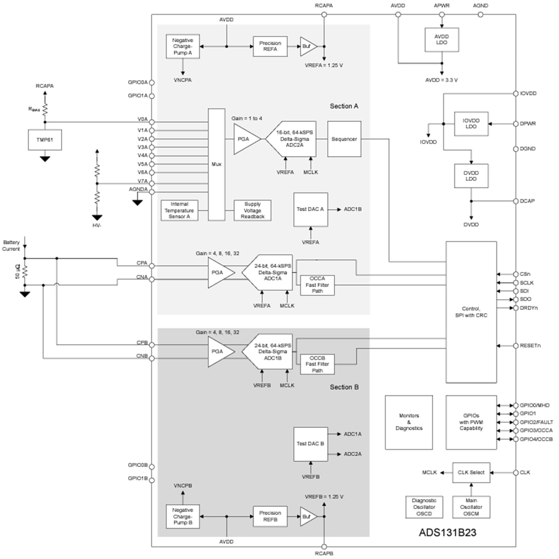
功能框图
发布日期: 2023-02-03
| 更新日期: 2023-12-20

