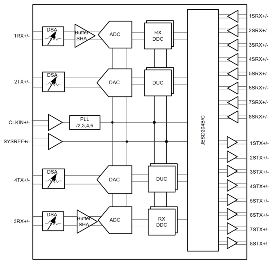
TX信号路径支持数字上行和插值变频选项,可提供高达400MHz的信号带宽。DUC的输出驱动12GSPS DAC(数模转换器),通过混合模式输出选项增强在第二奈奎斯特区的运行。Texas Instruments AFE7901的DAC输出包括一个具有40dB范围以及1dB模拟和0.125dB数字步进的可变增益放大器(TX DSA)。
每个接收器链均包含一个25dB范围的数字步进衰减器(DSA),后跟一个3GSPS模数转换器(ADC)。每个接收器通道都有一个模拟峰值功耗检测器和各种数字功耗检测器,可辅助进行外部或内部自主自动增益控制器,另外还有一个RF过载检测器,用于提供器件可靠性保护。灵活的抽取选项可将两个RX的数据带宽优化至高达400MHz。
该器件包含一个SYSREF时序检测器,可以优化相对于器件时钟的SYSREF输入时序。
特性
- 双RF采样12GSPS发送DAC
- 双RF采样3GSPS接收ADC
- 每个TX或RX的最大信号带宽为400MHz
- 射频频率范围:5MHz至7.4GHz
- 数字步进衰减器(DSA)
- TX: 40 dB范围, 0.125 dB步
- RX:25 dB范围,0.5 dB步进
- 用于TX和RX的单频带或双频带DUC/DDC
- 每个TX/RX 16个NCO
- 可选内部PLL/VCO,用于提供DAC/ADC时钟,或DAC/ADC采样率下的外部时钟
- Sysref对齐检测器
- SerDes数据接口
- 兼容JESD204B和JESD204C
- 8个高达29.5Gbps的SerDes收发器
- 子类1多器件同步
- 封装:17mm×17mm FCBGA,0.8mm脚距
应用
- 雷达
- 搜索器前端
- 国防无线电
- 战术通信基础设施
- 无线通信测试
功能框图
发布日期: 2024-06-20
| 更新日期: 2024-06-26

