TX信号路径支持数字上行和插值变频选项,可为每个TX通道提供高达400MHz的信号带宽。DUC的输出驱动12GSPS DAC(数模转换器),通过混合模式输出选项增强在第二奈奎斯特区的运行。Texas Instruments AFE7951的DAC输出包括一个具有40dB范围以及1dB模拟和0.125dB数字步进的可变增益放大器(TX DSA)。
特性
- 双RF采样12GSPS发送DAC
- 双RF采样3GSPS接收ADC
- 最大RF信号带宽:400MHz
- 射频频率范围:600MHz至12GHz
- 数字步进衰减器(DSA)
- TX: 40 dB范围, 0.125 dB步
- RX:25 dB范围,0.5 dB步进
- 单频带或双频带DUC或DDC
- 每个TX或RX 16个NCO
- 可选内部PLL或VCO,用于DAC或ADC时钟或DAC或ADC采样率的外部时钟
- SerDes数据接口
- 兼容JESD204B和JESD204C
- 8个高达29.5Gbps的SerDes收发器
- 子类1多器件同步
- 封装:17mm×17mm FCBGA,0.8mm脚距
应用
- 雷达
- 搜索器前端
- 国防无线电
- 战术通信基础设施
- 无线通信测试
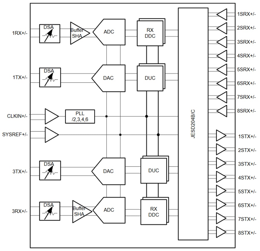
功能框图
发布日期: 2024-06-21
| 更新日期: 2024-06-25

