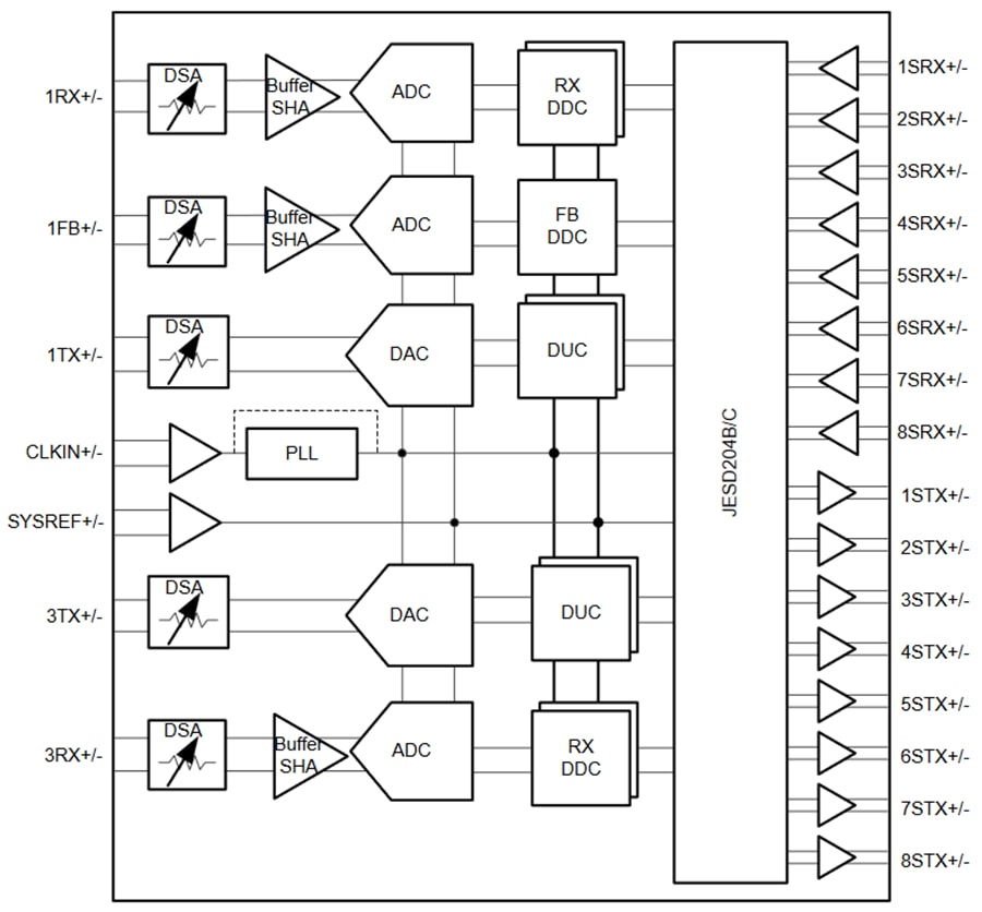
TX信号路径支持插值和数字上变频选项,可为每个TX通道提供高达1200MHz的信号带宽。DUC的输出驱动12GSPS DAC(数模转换器),通过混合模式输出选项增强在第二奈奎斯特区的运行。DAC输出包括一个可变增益放大器 (TX DSA),具有40 dB范围、1 dB模拟和0.125 dB数字步进。
Texas Instruments AFE7955的两个接收器链均包含一个25dB范围的数字步进衰减器(DSA),后跟一个3GSPS模数转换器(ADC)。两个接收器通道都有模拟峰值功耗检测器和各种数字功耗检测器,可辅助进行外部或内部自主自动增益控制器,另外还具有RF过载检测器,用于提供器件可靠性保护。灵活的抽取选项可以优化信号带宽,使每个RX通道高达1200MHz。附加的接收器通道具有单个宽带DDC,支持高达1200MHz的带宽。
特性
- 双通道RF采样12GSPS发送DAC
- 三通道RF采样3GSPS接收ADC
- 最大RF信号带宽:1200MHz
- 射频频率范围:600MHz至12GHz
- 数字步进衰减器(DSA)
- TX: 40 dB范围, 0.125 dB步
- RX:25 dB范围,0.5 dB步进
- 单频带或双频带DUC或DDC
- 每个TX 16个NCO
- 可选内部PLL或VCO,用于DAC或ADC时钟或DAC或ADC采样率的外部时钟
- SerDes数据接口
- 兼容JESD204B和JESD204C
- 8个高达29.5Gbps的SerDes收发器
- 子类1多器件同步
- 封装:17mm×17mm FCBGA,0.8mm脚距
应用
- 雷达
- 搜索器前端
- 国防无线电
- 战术通信基础设施
- 无线通信测试
功能框图
发布日期: 2024-06-21
| 更新日期: 2024-06-25

