Texas Instruments AMC0380D和AMC0380D-Q1隔离式放大器
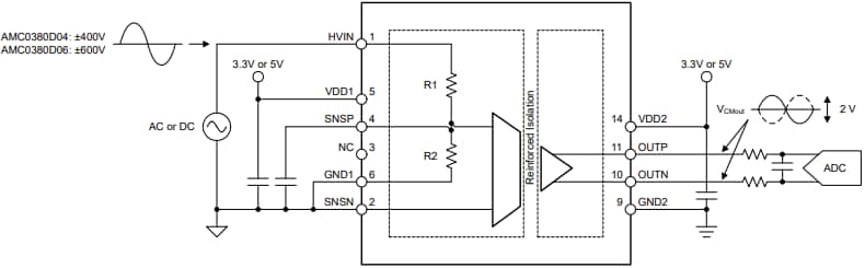
Texas Instruments AMC0380D和AMC0380D-Q1隔离式放大器是精密、电流隔离式放大器,具有高压交流高阻抗输入和固定增益差分输出。这些放大器提供±400和±600V两个线性输入电压范围,在整个温度范围内可实现1%以上的精度。AMC0380D和AMC0380D-Q1隔离放大器采用15引脚、0.65mm间距SSOP封装。AMC0380D-Q1器件符合汽车应用类AEC-Q100标准。 这些放大器采用 15引脚、0.65mm间距的SSOP封装,并按整个-40°C至+125°C的温度范围进行了标定。典型应用包括服务器“供电单元” (PSU)、“储能系统” (ESS)、太阳能逆变器、电动汽车充电站和牵引逆变器。特性
- 集成式高压电阻分压器,无需外部电阻器即可直接进行交流电压检测
- 差分输出
- 电源电压范围:
- 高侧 (VDD1):3V至5.5V
- 低侧 (VDD2):3V至5.5V
- 低直流误差:
- 失调电压误差:±0.8mV(最大值)
- 温漂:±10µV/°C(最大值)
- 衰减误差:±0.25%(最大值)
- 衰减漂移:±40ppm/°C(最大值)
- 非线性度:0.025%(最大值)
- 高CMTI:150V/ns(最小值)
- 符合CISPR-11和CISPR-25标准,低EMI
- 可用输入选项:
- AMC0380D04:±400 V,8.3MΩ
- AMC0380D06:±600 V、10MΩ
- 安全相关认证:
- 7000VPK增强型隔离,依据DIN EN IEC 60747-17 (VDE 0884-17) 标准
- 5000VRMS隔离持续1分钟,依据UL 1577标准
- 在扩展工业温度范围内的完全额定温度范围为-40°C至125°C
- 符合汽车应用类AEC-Q100标准 (AMC0380D-Q1)
应用
- 服务器电源单元 (PSU)
- 储能系统 (ESS)
- 太阳能逆变器
- Ev充电站
- 牵引逆变器
- 车载充电器
- DC/DC转换器
- 电池接线盒
功能框图
典型应用图
发布日期: 2026-01-08
| 更新日期: 2026-03-04
