Texas Instruments AMC0381R/-Q1增强型隔离放大器
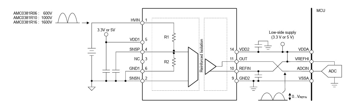
Texas Instruments AMC0381R/-Q1增强型隔离式放大器提供高压DC输入、高阻抗输入和单端比例输出。输入的设计可直接连接到高压信号源。隔离栅将工作在不同共模电压电平上的系统的零件隔开。该隔离栅具有很强的抗磁干扰能力,经认证可提供高达5kVRMS (60s) 的增强型隔离。AMC0381R/-Q1的输出为与输入电压成比例的单端信号。满量程输出由加到REFIN引脚的电压设定。AMC0381R-Q1的设计可直接连接到ADC输入端。用户可以将REFIN连接到与ADC相同的参考电压,以匹配ADC的动态输入电压范围。AMC0381R/-Q1提供三种线性输入电压范围:600V、1000V和1600V。凭借集成的精密电阻分压器,该器件能在整个温度范围内实现1%精度(考虑了使用寿命内的漂移)。
AMC0381R-Q1采用15引脚、0.65mm间距SSOP封装,在-40°C至+125°C的全温度范围内具有完整的规格保证。
AMC0x06M25-Q1设备符合汽车应用类AEC-Q100标准。
特性
- 符合汽车应用类AEC-Q100标准:
- 温度等级1:-40°C至+125°C,TA
- 单端输出,与VREFIN成比例
- 参考输入电压:2.7V至5.5V
- 电源电压范围:
- 高侧 (VDD1):3.0 V至5.5 V
- 低侧 (VDD2): 3.0 V至5.5 V
- DC误差低:
- 失调误差:±1.5 mV(最大值)
- 失调漂移:±20uV/°C(最大值)
- 衰减误差:±0.25%(最大值)
- 衰减漂移:±40ppm/°C(最大值)
- 非线性度:0.025%(最大值)
- 集成的高压电阻分压器,无需外部电阻器即可直接进行DC电压检测
- 高CMTI:150V/ns(最小值)
- 低EMI:符合CISPR-11和CISPR-25标准
- 可用输入选项:
- AMC0381RO6-Q1:600 V,10MΩ
- AMC0381R10-Q1:1000V、12.5MQ
- AMC0381R16-Q1:1600V、33.5MQ
- AMC0381R06:600 V、10MΩ
- AMC0381R10:1000 V、12.5MΩ
- AMC0381R16:1600 V、33.5MΩ
- 可用输入选项:
- 安全相关认证:
- 7000VPK增强型隔离,符合DIN EN IEC 60747-17 (VDE 0884-17) 标准
- 符合UL 1577标准且长达1分钟的5000VRMS隔离
应用
- 服务器电源 (PSU)
- 储能系统(ESS)
- 太阳能逆变器
- EV充电站
典型应用
发布日期: 2026-02-07
| 更新日期: 2026-02-28
