Texas Instruments AMC0386和AMC0386-Q1隔离式调制器
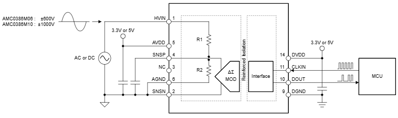
Texas Instruments AMC0386和AMC0386-Q1隔离式调制器是精密、电流隔离式Δ-Σ调制器,具有一个高电压、高阻抗输入和一个外部时钟。这些调制器的工作电源电压范围在高侧 (AVDD) 为3V至5.5V,在低侧 (DVDD) 为2.7V至5.5V。AMC0386和AMC0386-Q1隔离式调制器具有10MHz标称输入时钟频率、150V/ns(最小值)高的CMTI,并提供高达5kVRMS (60s) 的增强型隔离。这些调制器采用15引脚、0.65mm间距SSOP封装,并在整个-40°C至+125°C的温度范围内进行了标定。AMC0386-Q1器件符合AEC-Q100汽车应用标准。典型应用包括牵引逆变器、车载充电器、DC/DC转换器 、电池接线盒、 服务器电源单元 (PSU)、 储能系统 (ESS)、太阳能逆变器和电动汽车 (EV) 充电站。特性
- 符合汽车应用类AEC-Q100标准:
- -40°C至+125°C,TA 温度等级1级
- 集成式高压电阻分压器,可直接进行交流 (AC) 或直流 (DC) 电压检测,无需外部电阻器
- 电源电压范围:
- 高侧 (AVDD):3V至5.5V
- 低侧 (DVDD):2.7V至5.5V
- 低直流误差:
- 失调误差:±0.9mV(最大)
- 失调漂移:±7µV/°C(最大)
- 衰减误差:±0.25%(最大)
- 衰减漂移:±30ppm/°C(最大)
- 高CMTI:150V/ns(最小值)
- 高侧电源缺失检测
- 符合CISPR-11和CISPR-25标准限值,低电磁干扰 (EMI)
- 可用输入选项:
- AMC0386M06/-Q1:±600 V、10MΩ
- AMC0386M06/-Q1:±1000 V、12.5MΩ
- 安全相关认证:
- 7000VPK增强型隔离,依据DIN EN IEC 60747-17 (VDE 0884-17) 标准
- 5000VRMS隔离持续1分钟,依据UL1577标准
应用
- 服务器电源单元 (PSU)
- 储能系统 (ESS)
- 太阳能逆变器
- Ev充电站
- 牵引逆变器
- 车载充电器
- DC/DC转换器
- 电池接线盒
典型应用图
功能框图
推荐布局
发布日期: 2026-01-13
| 更新日期: 2026-02-03
