隔离栅将工作在不同共模电压电平的系统部分隔开。隔离栅极度抗磁干扰。该隔离栅经认证可提供最高5kVRMS (60s) 的基本隔离。
TI AMC1200C放大器输出与输入电压成比例的差分信号。差分输出对接地偏移不敏感,让长距离输出信号传输更容易。
AMC1200C提供有8引脚宽体SOIC和SOP封装。该器件在整个-40°C至+125°C的温度范围内进行了标定。
特性
- 线性输入电压范围:±250mV
- 电源电压范围:
- 高侧 (VDD1):3.0 V至5.5 V
- 低侧 (VDD2): 3.0 V至5.5 V
- 低DC误差:
- 失调误差:±0.2 mV(最大值)
- 失调漂移:±2uV/°C(最大值)
- 增益误差:±0.25%(最大值)
- 增益漂移:±35ppm/°C(最大值)
- 非线性度:0.04%(最大值)
- 固定增益:8.0V/V
- 差分模拟输出
- 高CMTI:150V/ns(最小值)
- 低EMI:符合CISPR-11和CISPR-25标准
- 隔离等级:基本型隔离
- 安全相关认证:
- DIN EN IEC 60747-17 (VDE 0884-17)
- UL1577 的产品评估板
- 完全按-40°C至+125°C的扩展工业温度范围进行了标定
应用
- 工业电机驱动器
- 频率逆变器
- 服务器电源(PSU)
- 功率因数校正 (PFC)
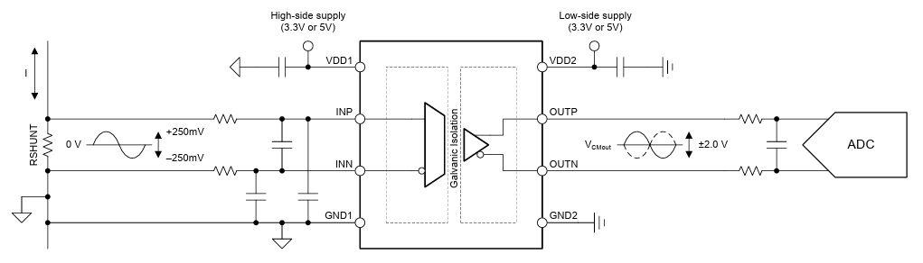
典型应用
发布日期: 2026-02-05
| 更新日期: 2026-02-10

