电池使用标准锂离子或LiFePO4充电曲线进行三个阶段的充电:预充电、恒流和恒压。通过热调节提供最大充电电流,同时管理器件温度。该充电器还针对电池间充电进行了优化,具有3V的最低输入电压,并且可以承受25V的绝对最大线路瞬变。Texas Instruments bq25180集成了单按钮输入和复位电路,以减小解决方案的总尺寸。
特性
- 1A电源路径线性电池充电器
- 已针对电池间充电和 SB适配器优化的3.0V至5.9V输入电压工作范围
- 可耐受25V的输入电压
- 可配置的电池调节电压,精度为0.5%,范围为3.6V至4.65V,阶跃为10mV
- 5mA至1A的可配置快速充电电流
- 电池FET导通电阻:55mΩ
- 高达2.5A的放电电流,支持高系统负载
- 可配置的终止电流,支持低至0.5mA
- 可配置的NTC充电曲线阈值,包括JEITA支持
- 电源周期和高级复位机制,用于恢复系统
- 电源路径管理,用于系统供电和电池充电
- 稳定系统电压 (SYS) 范围为4.4V至4.9V,此外还具有电池电压跟踪功能和输入直通选项
- 可配置的输入电流限制
- 用于系统的可选适配器或电池电源
- 动态电源路径管理可以对通过弱适配器充电进行优化
- 超低静态电流模式
- 关断模式:15nA
- 运输模式下为5µA,支持按钮唤醒
- 电池模式下为3µA
- 休眠模式下输入Iq为30µA
- 单按钮唤醒和复位输入
- 集成故障保护
- 输入过压保护 (VIN_OVP)
- 电池欠压保护 (VBUVLO)
- 电池短路保护 (BATSC)
- 电池过流保护 (BATOCP)
- 输入电流限制保护 (ILIM)
- 热调节 (TREG) 和热关断 (TSHUTDOWN)
- 电池热故障保护 (TS)
- 看门狗和安全定时器故障
- 系统短路保护
- 系统过压保护
应用
- TWS耳机和充电外壳
- 智能眼镜、AR和VR
- 智能手表与其他可穿戴设备
- 零售自动化和支付
- 楼宇自动化
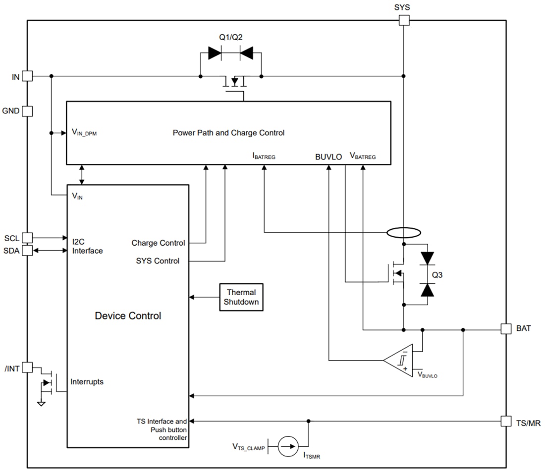
功能框图
发布日期: 2022-03-01
| 更新日期: 2024-01-03

