Texas Instruments BQ25185线性电池充电器IC
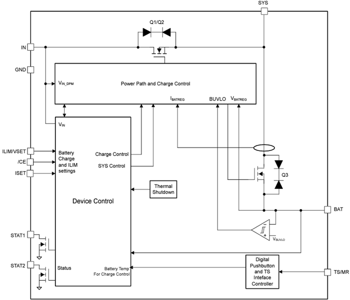
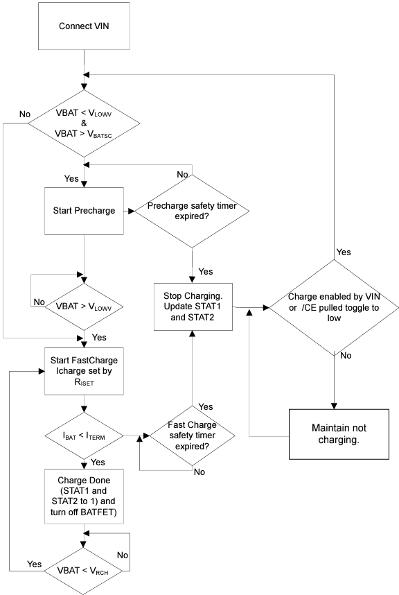
Texas Instruments BQ25185线性电池充电器IC是一款单节、1A独立线性电池充电器,具有电源路径和太阳能输入支持。该线性充电器IC专注于小解决方案尺寸和低静态电流,以延长电池寿命。BQ25185充电器具有3V至18V的工作输入电压范围、25V的耐受输入电压、高达3.125A的系统负载和4.5V的稳压系统电压(SYS)。BQ25185充电器IC使用标准锂离子或磷酸铁锂充电配置,具有三个阶段:预充电、恒流和恒压。该电池充电器IC采用小型无引线封装,并带有导热垫,可提供良好的热性能。典型应用包括TWS耳机和充电盒、智能眼镜、AR、VR、可穿戴设备、零售自动化和支付以及楼宇自动化。特性
- 1A线性电池充电器:
- 3V至18V输入电压工作范围
- 可耐受25V的输入电压
- 外部电阻器可编程操作
- ILIM/VSET将电池调节电压设置为3.6V、3.65V、4.02V、4.1V、4.2V、4.35V或4.4V
- ILIM/VSET将输入电流限制设置为100mA、500mA或1100mA
- ISET将充电电流设置为5mA至1A
- 锂离子、锂聚合物和磷酸铁锂化学物质支持
- 115mΩ电池FET导通电阻
- 高达3.125A的放电电流可支持高系统负载
- 用于系统供电和电池充电的电源路径管理:
- 稳压系统电压(SYS)为4.5V
- 可配置的输入电流限制
- 支持USB挂起模式
- 适用于高阻抗输入源的电池跟踪输入电压动态电源管理(VINDPM)
- 动态电源路径管理优化弱适配器的充电
- 超低静态电流:
- 仅电池模式下为4μA
- 睡眠模式下30µA,输入适配器Iq
- 工厂模式下电池放电电流为3.2μA
- 集成故障保护:
- 输入过压保护(VIN_OVP)
- 电池欠压保护(BUVLO)
- 电池短路保护(BATSC)
- 电池过流保护(BATOCP)
- 输入电流限制保护 (ILIM)
- 热调节(TREG)和热关断(TSHUT)
- 电池热故障保护 (TS)
- 安全计时器故障
- ISET和ILIM/VSET引脚短路/开路保护
应用
- TWS耳机和充电外壳
- 智能眼镜、AR和VR
- 可穿戴设备,如智能手表
- 零售自动化和支付
- 楼宇自动化
应用电路图
功能框图
充电器流程图
发布日期: 2024-01-03
| 更新日期: 2024-01-29
