Texas Instruments bq25616/616J采用高输入电压快速充电,适用于扬声器、工业和医疗便携式设备等各种应用。该设备支持各种输入源,包括标准USB主端口、USB充电端口、支持USB的高压适配器以及无线电源。bq25616/616J降压电池充电器通过提供5V电压和高达1.2A恒定电流限制,满足USB On-The-Go (OTG) 额定工作功率规格要求。
电源路径管理可将系统调节略高于电池电压,但采用适配器时不会降至3.5V最低系统电压以下。借助此特性,即使电池完全耗尽或移除,系统也能保持正常运行。bq25616/616J启动和完成充电周期,无需软件控制。它可以检测电池电压,分三个阶段为电池充电:预调、恒流和恒压。
特性
- 高效率、1.5 MHz同步开关模式降压充电器
- 2A电流、5V输入时充电效率为92%
- ±0.5%充电电压调节
- 来自VSET引脚的可调充电电压支持4.1V、4.2V和4.35V,调节精度为±0.4%
- ±6%充电电流调节
- ±7.5%输入电流调节
- 支持JEITA (bq25616J) 或热/冷 (bq25616) 温度传感配置文件
- 20小时充电安全计时器
- 支持USB On-The-Go (OTG)
- 5V升压转换器,输出高达1.2A
- 1A输出时的升压效率为92%
- 精确的恒定电流 (CC) 限制
- 可在高达500µF电容性负载下进行软启动
- PFM模式,用于轻负载工作
- 高集成度,包含全部MOSFET、电流检测和环路补偿
- 单输入,支持USB输入、高压适配器或无线电源
- 支持4V至13.5V输入电压范围,具有22V绝对最大输入电压额定值
- 在可选的外部OVPFET持续输入电压高达30V的情况下,具有130ns的快速关断时间
- 通过ILIM引脚可编程输入电流限制 (IINDPM)
- VINDPM阈值自动追踪电池电压,实现最大功率
- 自动检测USB SDP、CDP、DCP和非标准适配器
- 窄VDC (NVDC) 电源路径管理
- 系统无需电池或使用深度放电的电池亦可瞬时启动
- 低RDSON 19.5mΩ BATFET,可最大限度地减少充电损耗,延长电池工作时间
- 系统待机时电池漏电流低至9.5 µA
应用
- 电子销售点 (EPOS)
- 无线扬声器
- 工业、医疗、便携式电子设备
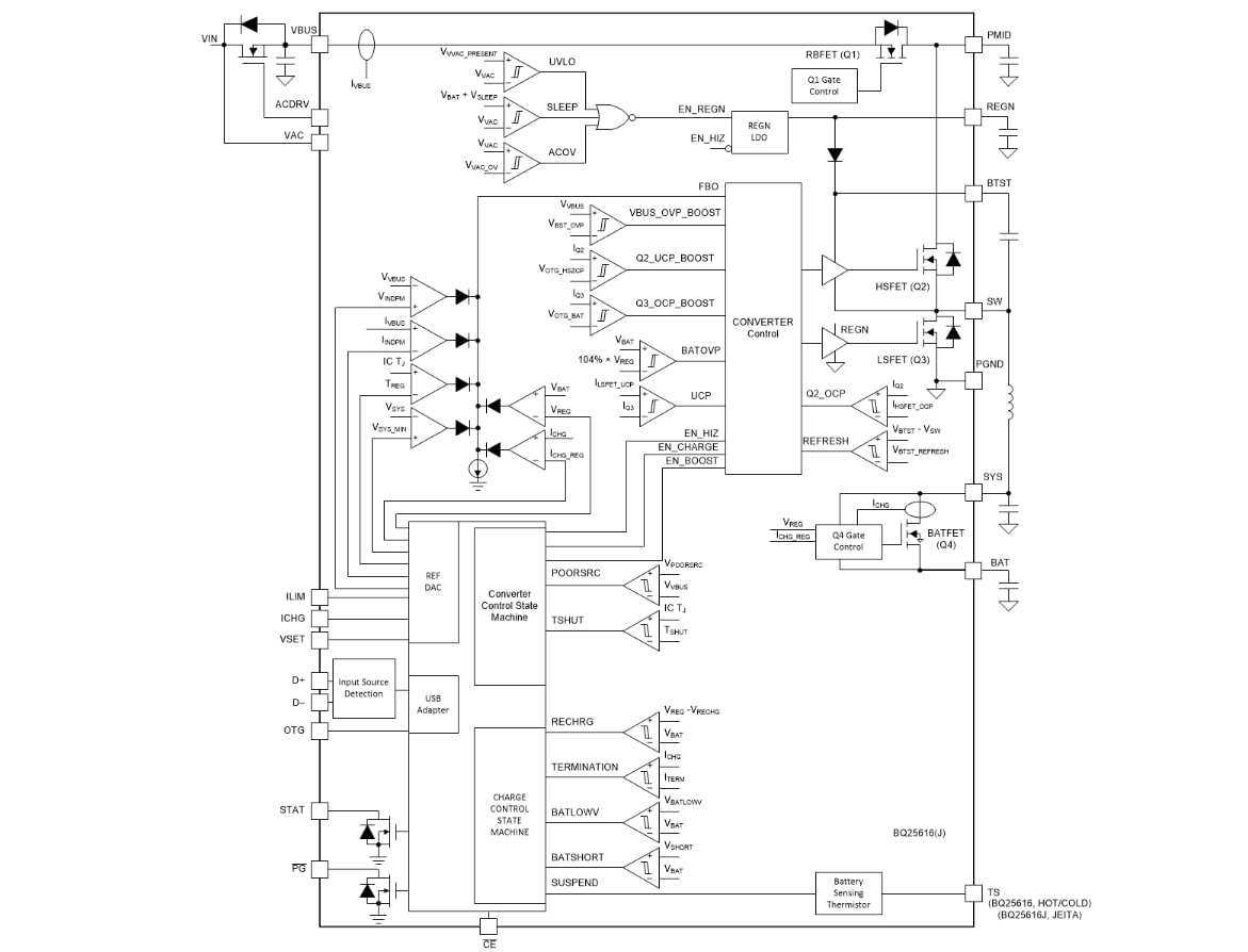
框图
发布日期: 2020-02-24
| 更新日期: 2024-06-12

