在上电期间,充电器根据输入源和电池状况将转换器设置为降压、升压或降压-升压配置。该充电器可在降压、升压和降压-升压工作模式之间无缝转换,无需主机控制。在没有输入源的情况下,bq25723从1节至4节电池支持USB On-the-Go (OTG) 功能,从而在VBUS上产生3V至24V可调输出,分辨率为8mV。OTG输出电压转换转换率可配置为符合USB-PD 3.0 PPS规范。
当仅电池给系统供电且外部负载未连接到USB OTG端口时,bq25723实现最新的Intel Vmin有源保护 (VAP) 功能,其中器件从电池为VBUS电压充电,从而将一些能量存储在输入去耦电容器中。在系统峰值功率尖峰期间,存储在输入电容器中的能量补充了系统,防止系统电压降至最低系统电压以下导致系统崩溃。
Texas Instruments bq25723监控适配器电流、电池电流和系统功率。灵活编程的PROCHOT输出可直接连接到CPU,以便在需要时回流节气门。最新版本的USB-C PD规范包括快速角色互换 (FRS),确保及时进行电源角色交换,从而让连接到扩展坞的设备能够避免出现瞬时功率损耗或毛刺。该器件集成了符合PD规范的FRS。
TI获得专利的开关频率抖动模式可以在整个导电EMI频率范围(150kHz至30MHz)内显著降低EMI噪声。提供多种抖动电平选项,为不同应用提供灵活性,简化EMI噪声滤波器设计。该充电器可在TI获得专利的直通模式 (PTM) 下工作,提高整个负载范围内的效率。在PTM中,输入功率直接通过充电器传递到系统。可以保存MOSFET的开关损耗和电感器磁芯损耗,实现高效运行。bq25723采用32引脚4mm × 4mm WQFN封装。
特性
- 引脚对引脚兼容bq25713
- 降压-升压窄电压直流 (NVDC) 充电器,用于USB-C供电 (PD) 接口平台
- 输入电压范围:3.5V至26V,可为1节至4节电池充电
- 充电电流高达16.2A/8.1A,分辨率为128mA/64mA,基于5mΩ/10mΩ传感电阻器
- 输入电流限制高达10A/6.35A,分辨率为100mA/50mA,基于5mΩ/10mΩ传感电阻器
- 支持USB 2.0、USB 3.0、USB 3.1和USB供电 (PD)
- 输入电流优化器 (ICO),无需过载适配器即可最大限度提高输入功率
- 集成快速角色互换 (FRS) 特性,符合USB-PD规范
- 在降压、降压-升压和升压操作之间进行无缝转换
- 提供输入电流和电压调节(IINDPM和VINDPM)以防电源过载
- TI获得专利的开关频率抖动模式,用于降低EMI噪声
- TI获得专利的直通模式 (PTM),用于提高系统功率效率和电池快速充电,实现99%的效率
- 符合IMVP8/IMVP9标准的系统特性,用于Intel平台
- 增强的Vmin有源保护 (VAP) 模式在系统峰值功率波尖符合最新Intel规范时从输入电容器为电池补充
- 综合PROCHOT设置
- 两级放电电流限制PROCHOT配置文件,避免电池电线脱落
- 系统功率监控器
- 通过专用引脚的输入和电池电流监控器
- 集成8位ADC,用于监控电压、电流和功率
- 电池MOSFET理想二极管在补充模式下运行,以便在适配器满载时支持系统
- 从电池给USB端口加电 (USB OTG)
- 3V至24V OTG,8mV分辨率
- 输出电流限制高达12.7A/6.35A,分辨率为100mA/50mA,基于5mΩ/10mΩ传感电阻器
- 800kHz/1.2MHz可编程开关频率,具有2.2µH/1.0µH电感器
- I2C主机控制接口,实现灵活系统配置
- 高精度调节和监控
- ±0.5%充电电压调节
- ±3%充电电流调节
- ±2.5%输入电流调节
- ±2%输入/充电电流监控
- 安全性
- 热关断
- 输入、系统、电池过压保护
- 输入、MOSFET、电感过流保护
- 32引脚4.0mm × 4.0mm WQFN封装
应用
- 标准笔记本电脑、Chrome上网本
- 平板电脑(多媒体)、无线扬声器
- 超声波扫描仪、呼吸机
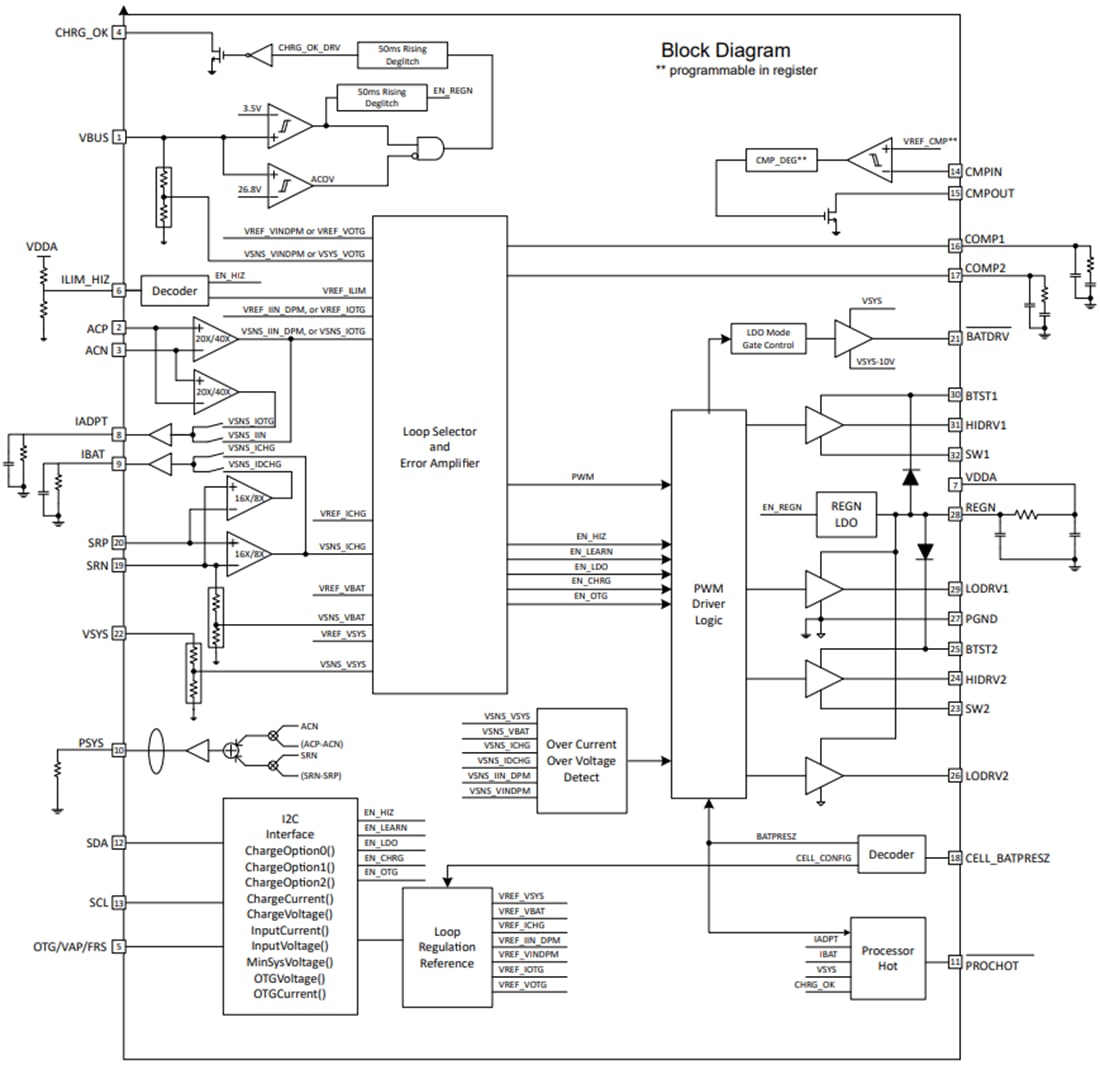
功能框图
发布日期: 2021-06-15
| 更新日期: 2022-03-11

