除I2C主机控制充电模式外,该器件还通过电阻器可编程限制支持独立充电模式。输入电流、充电电压调节和充电电流目标可分别通过 ILIM_HIZ、ICHG和FB引脚设置。该器件具有三个状态引脚(STAT1、STAT2和PG)来指示充电状态和输入电压状态。这些引脚可用于与主机处理器通信或驱动LED。如果需要,这些引脚还可以用作通用指示器,其状态直接由I2C接口控制。当设备状态发生变化(包括故障)时,INT引脚会立即通知主机。
该器件还提供模数转换器 (ADC),用于监测输入电流、充电电流和输入/电池/系统/热敏电阻电压。Texas Instruments bq25750采用36引脚 5.0mm x 6.0mmQFN封装,引脚间距为0.5mm。
特性
- 4.2V至70V宽输入电压工作范围
- 宽电池电压工作范围:高达70V,支持多化合物电池
- 1节至14节锂离子充电曲线
- 1节至16节LiFePO4 电池充电曲线
- 具有NFET驱动器的同步降压-升压充电控制器
- 可调节开关频率范围:200kHz至600kH
- 可选择与外部时钟同步
- 带有软启动的集成环路补偿
- 可选栅极驱动器电源输入,可提高效率
- 双向转换器运行(反向模式),支持USB-PD扩展功率范围 (EPR)
- 可调输入电压 (VAC) 调节范围为3.3V至65V,步长为20mV
- 使用5mΩ电阻器实现可调输入电流调节(RAC_SNS),范围为400mA至20A,步长为50mA
- 直接电源路径管理,可实现超高的电源系统效率
- 选择适配器或电池作为系统电源
- 动态电源管理
- 所有N沟道FET驱动器
- 低电池静态电流
- 高精度
- ±0.5%充电电压调节
- ±3%充电电流调节
- ±3%输入电流调节
- 采用I2C控制,通过电阻可编程选项实现最佳系统性能
- 硬件可调输入和输出电流限制
- 集成16位ADC,用于电压、电流和温度监控
- 高度安全集成
- 可调输入过压和欠压保护
- 电池过压和过流保护
- 充电安全计时器
- 电池短路保护
- 热关断
- 状态输出
- 适配器当前状态 (PG)
- 充电器运行状态
- 包装
- 36引脚5mm×6mm QFN
应用
- 无绳电源和园林工具
- 太阳能备用充电器
- 储能系统
- 无人机
- 超声波
- X射线系统
- 电子病床和病床控制
- 多参数患者监护仪
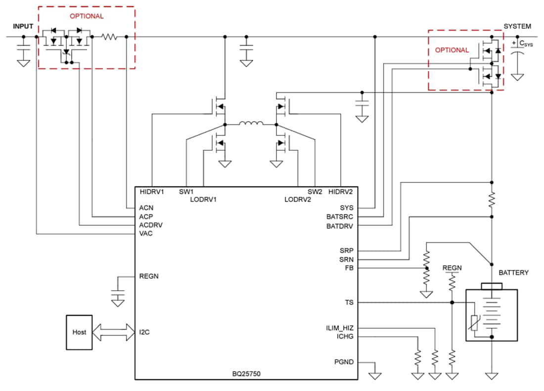
简化示意图
发布日期: 2024-02-02
| 更新日期: 2024-02-16

