除了I2C主机控制充电模式外,Texas Instruments bq25756还支持通过电阻可编程限制来实现的独立充电模式。输入电流、充电电流和充电电压调节目标可分别通过ILIM_HIZ、ICHG和FB引脚设置。
特性
- 宽输入电压工作范围:4.2V至70V
- 宽电池电压工作范围:高达70V,支持多化合物电池:
- 1至14节锂离子电池充电配置
- 1至16节 磷酸铁锂电池4 充电配置
- 具有NFET驱动器的同步降压-升压充电控制器
- 可调节开关频率范围:200kHz至600kH
- 可选择与外部时钟同步
- 带有软启动的集成环路补偿
- 可选栅极驱动器电源输入,可提高效率
- 用于太阳能充电的自动最大功率点跟踪 (MPPT)
- 仅降压模式
- 双向转换器运行(反向模式),支持USB-PD扩展功率范围 (EPR)
- 可调输入电压 (VAC) 的调节范围为3.3V至65V,调节精度为每步20mV
- 使用5mΩ电阻实现400mA至20A的可调输入电流调节 (RAC_SNS),调节精度为每步50mA
- 高准确率
- ±0.5%充电电压调节
- ±3%充电电流调节
- ±3%输入电流调节
- I2C通过电阻可编程选项控制最佳系统性能
- 硬件可调输入和输出电流限制
- 集成16位ADC,用于电压、电流和温度监控
- 高度安全集成
- 可调输入过压和欠压保护
- 电池过压和过流保护
- 充电安全计时器
- 电池短路保护
- 热关断
- 状态输出
- 适配器当前状态 (PG)
- 充电器运行状态(STAT1、STAT2)
- 36引脚5mm×6mm QFN封装
应用
- 滑板车、电动自行车
- 无绳电动工具、园艺工具
- 割草机器人
- 便携式电源站
- 无绳真空吸尘器、扫地机器人
- 太阳能充电器
- USB-PD EPR(扩展功率范围)
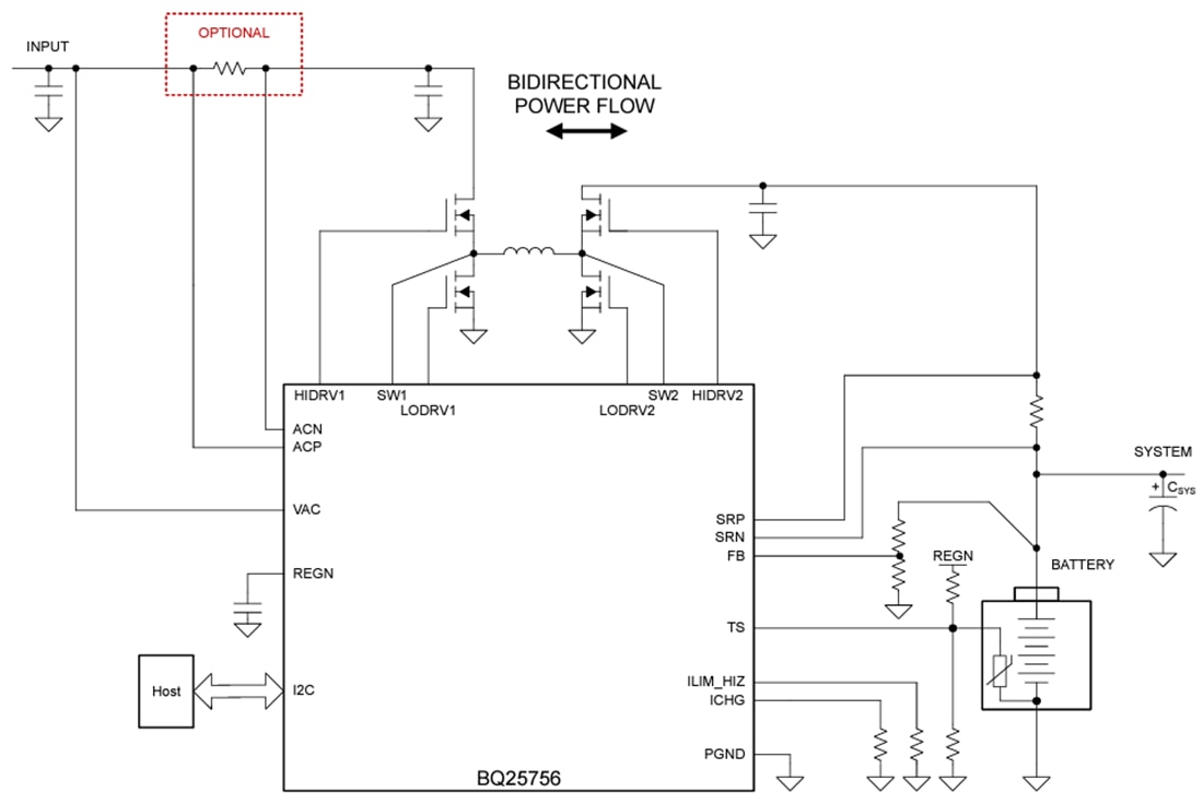
简化示意图
其他资源
发布日期: 2023-10-18
| 更新日期: 2024-01-15

