Texas Instruments bq25756E降压-升压电池充电控制器
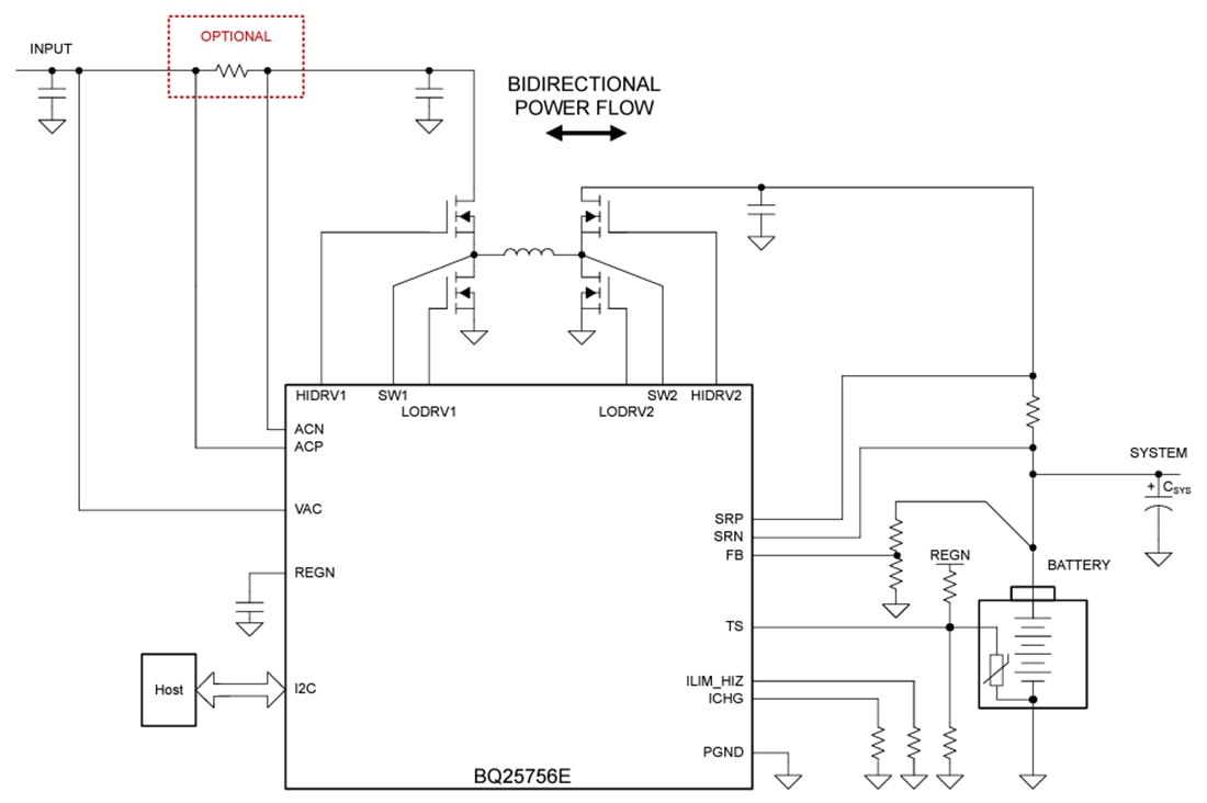
Texas Instruments bq25756E降压-升压电池充电控制器是一款宽输入电压范围、开关模式降压-升压充电控制器,适用于锂离子、锂聚合物或LiFePO4 电池,具有双向功率流支持。该器件不仅能提供精确的充电电流和充电电压调节,还能在宽电压范围内实现电池高效充电,提供充电终止和充电状态指示以及自动充电预调节。该器件集成了降压-升压转换器的所有环路补偿,因此可提供易于使用的高密度解决方案。在反向模式下,该器件从电池获取电力。它通过添加的恒定电流限制来调节输入端子电压来实现行保护,从而支持USB-PD EPR功率配置。除I2C主机控制充电模式外,Texas Instruments bq25756E还通过电阻器可编程限制支持独立充电模式。输入电流、充电电压调节和充电电流目标可分别通过 ILIM_HIZ、ICHG和FB引脚设置。
特性
- 宽输入电压工作范围:4.2V至36V
- 电池电压工作范围高达36V,具有多种化学物质支持
- 1至7节锂离子电池充电曲线
- 1至9节LiFePO4 电池充电曲线
- 具有NFET驱动器的同步降压-升压充电控制器
- 可调节开关频率:200kHz至600kHz
- 与外部时钟运行同步选项
- 带软启动的集成环路补偿
- 可选栅极驱动器电源输入,可提高效率
- 用于太阳能充电的自动最大功率点跟踪 (MPPT)
- 双向转换器运行(反向模式),支持USB-PD扩展功率范围 (EPR)
- 可调输入电压 (VAC) 调节范围为3.3V至36V,步长为20mV
- 使用5mΩ电阻器实现可调输入电流调节(RAC_SNS),范围为400mA至20A,步长为50mA
- 高准确率
- ±0.5%充电电压调节
- ±3%充电电流调节
- ±3%输入电流调节
- 采用I2C控制,可通过电阻可编程选项实现最佳系统性能
- 硬件可调输入和输出电流限制
- 集成16位ADC,用于电压、电流和温度监控
- 高度安全集成
- 可调输入过压和欠压保护
- 电池过压和过流保护
- 充电安全计时器
- 电池短路保护
- 热关断
- 状态输出
- 适配器当前状态 (PG)
- 充电器运行状态(STAT1,STAT2)
- 36引脚5mm×6mm QFN封装
应用
- 无绳电动工具、园林工具
- 割草机器人
- 便携式电站
- 无绳吸尘器、吸尘机器人
- 太阳能充电器
简化示意图
发布日期: 2024-02-05
| 更新日期: 2024-02-12
