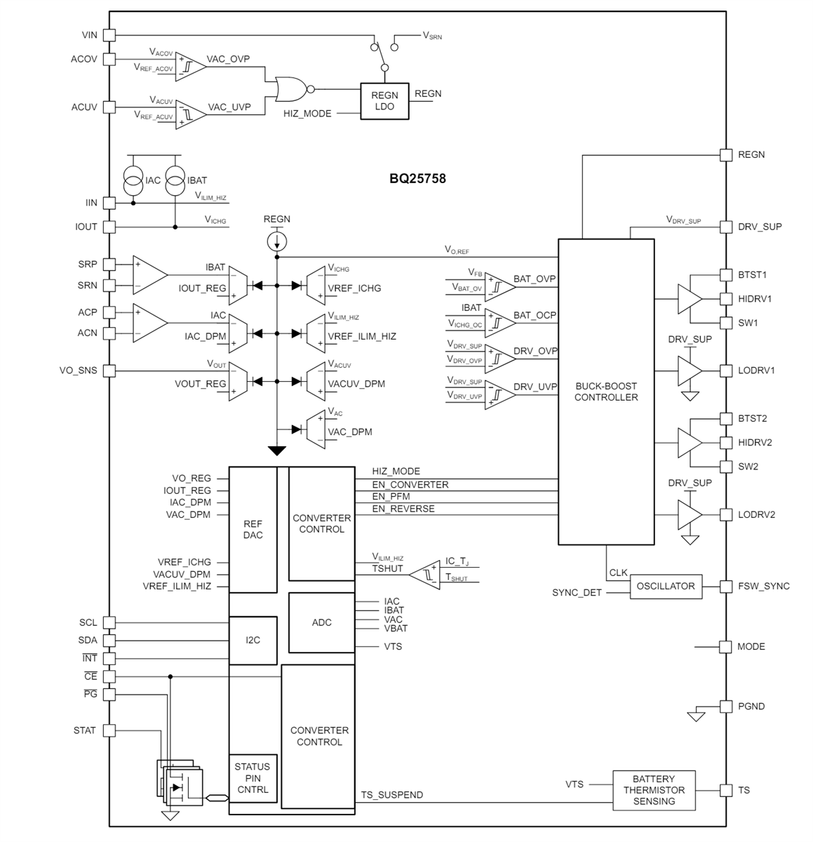
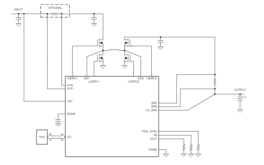
TI BQ25758双向降压-升压控制器具有I2C主机控制模式,支持可编程硬件限制。IIN 和IOUT 引脚上的单个电阻器就可以设置输入和输出电流调节目标。默认情况下,BQ25758被编程为提供5V输出,但可通过VOUT_REG寄存器位对目标输出电压进行调整。
特性
- 4.2 V-60 V 的宽输入电压工作范围
- 同步降压-升压DC/DC控制器,带NFET驱动器
- 可调节开关频率范围:200kHz至600kH
- 与外部时钟运行同步选项
- 带有软启动的集成环路补偿
- 可选PFM操作,用于提高轻负载效率(PFM或强制PWM选项)
- 可选栅极驱动器电源输入,可提高效率
- 支持正向和反向功率方向的USB-PD扩展功率范围 (EPR)
- 可调输入和输出电压调节范围:3.3V至60V(20mV/步进)
- 使用5mΩ电阻器可调节输入和输出电流调节(RAC_SNS、ROUT_SNS),范围为400mA至20A,每步50mA
- 旁路模式可在VOUT = VAC 时实现最高效率
- 集成16位ADC,用于电压、电流和温度监控
- 仅降压模式
- 高精度
- ±2%输出电压调节
- 输出电流调节:±3%
- 输入电压调节:±2%
- ±3%输入电流调节
- 通过I2C控制实现最佳系统性能,提供电阻可编程选项
- 硬件可调输入和输出电流限制
- 高度安全集成
- 可调输入过压和欠压保护
- 输出过压和过流保护
- 热关断
- 状态输出
- 适配器当前状态 (PG)
- 开关运行状态 (STAT)
- 36引脚5mm×6mm QFN封装
应用
- 扩展坞
- 监控器
- USB-PD EPR(扩展功率范围)
- 降压-升压和仅降压运行
简化示意图
功能框图
发布日期: 2024-05-13
| 更新日期: 2025-07-24

