Texas Instruments bq25758S不仅支持I2C主机控制模式,还支持可编程硬件限制。IIN 和IOUT 引脚上的单个电阻就能设置输入电流和输出电流调节目标值。该器件默认的编程输出电压为5V,目标输出电压可通过VOUT_REG寄存器位进行调节。
特性
- 宽输入电压工作范围:26V至4.4V
- 同步降压-升压直流-直流控制器带NFET驱动器
- 可调开关频率:200kHz至600kHz
- 可选择与外部时钟同步
- 集成环路补偿带软启动
- 可选PFM运行,以提高轻负载效率
- 可选栅极驱动器电源输入,以获得优化的效率
- 支持正向和反向功率方向上的USB-PD扩展功率范围 (EPR)
- 可调输入和输出电压调节范围:3.3V至26V(20mV/档)
- 可调输入和输出电流调节(RAC_SNS、ROUT_SNS)范围:400mA至20A(50mA/档),使用5mΩ电阻器调节
- 高精度
- 输出电压调节:±2%
- 输出电流调节:±3%
- 输入电压调节:±2%
- ±3%输入电流调节
- 旁路模式在VOUT = VAC 时达到最高效率
- 仅降压模式
- I2C控制实现最佳系统性能,带可编程电阻选项
- 硬件可调输入和输出电流限制
- 集成16位ADC,用于电压、电流和温度监控
- 高度安全集成
- 可调输入过压和欠压保护
- 输出过压和过流保护
- 热关断
- 状态输出
- 适配器当前状态 (PG)
- 开关运行状态 (STAT)
- 36引脚5mm × 6mm QFN封装
应用
- 扩展坞
- 监控器
- USB-PD EPR(扩展功率范围)
- 降压-升压和仅降压运行
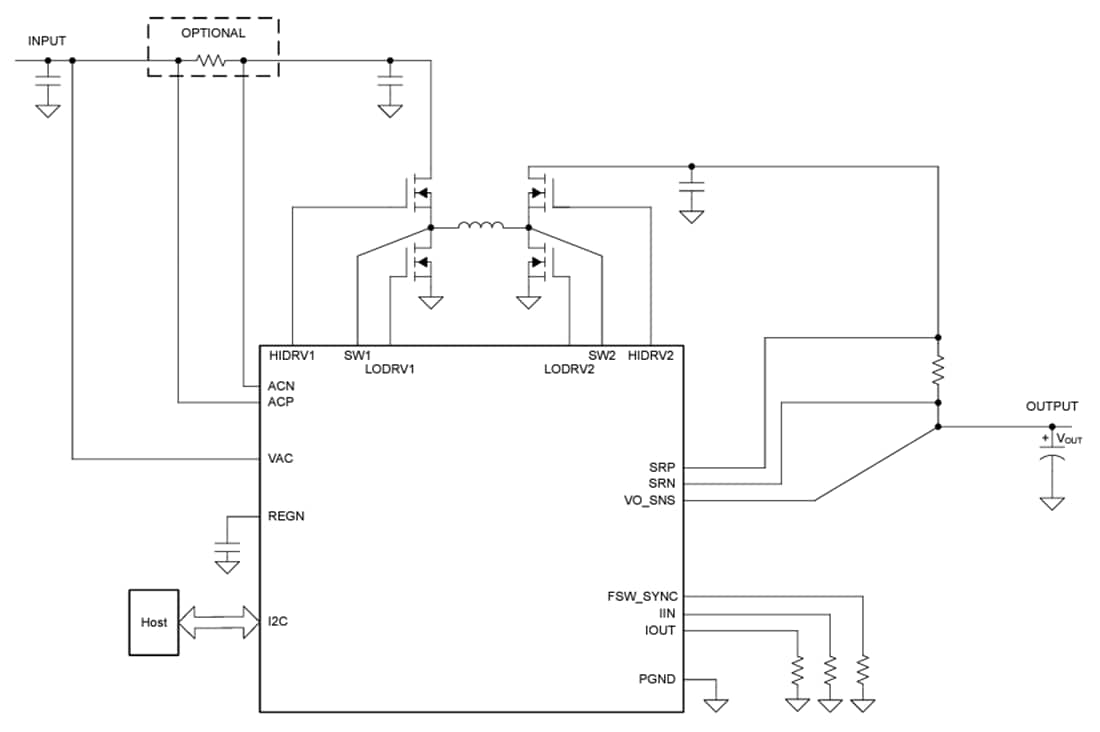
简化示意图
发布日期: 2024-09-24
| 更新日期: 2024-10-02

