BQ27Z561-R1电量监测计通过兼容I2C的接口和HDQ单线接口进行通信。该器件还包括几个有助于实现准确电量监测应用的关键特性。集成的内部和外部温度检测功能选项可实现系统和电池温度测量。集成的SHA-256功能有助于在系统和电池组之间实现安全识别。
借助中断和BTP功能,BQ27Z561-R1可在发生充电状态 (SOC)、电压或温度故障时通知系统。通过低电压运行,即使在深度放电情况下,系统也能够持续监控电池的状态。在低活跃度情况下,该器件可设置为低功耗库伦计数 (CC) 模式,从而在显著降低运行电流的情况下继续进行库伦计数。
特性
- 支持低至1mΩ的电流检测电阻器
- 支持电池组侧电量监测,包括增强健康状态 (SOH) 算法
- 基于预测的OCV的快速QMAX更新选项
- SHA-256身份验证响应器,用于提高电池组安全性
- 先进的充电算法:
- JEITA
- 增强型充电
- RSOC充电补偿选项
- 两个独立ADC
- 支持电流和电压的同步采样
- 高精度库伦计数器,输入失调误差<1µV(典型值)
- 低电压 (2V) 运行
- 宽电流范围应用(1mA至>5A)
- 高电平有效或低脉冲或电平中断引脚
- 支持电池跳变点 (BTP)
- 低功耗模式(典型电池组运行范围条件)
- 典型睡眠模式:<11µA
- 典型深度睡眠模式:<9µA
- 典型关断模式:<1.9µA
- 内部和外部温度检测功能
- 诊断使用寿命数据监控器和黑盒记录器
- 400kHz I2C总线通信接口,用于高速编程和数据访问
- 用于主机通信的单线制HDQ
- 紧凑型12引脚DSBGA封装 (YPH)
应用
- 智能手机
- 数码照相机和摄像机
- 平板电脑
- 便携式和穿戴式健康设备以及便携式音频设备
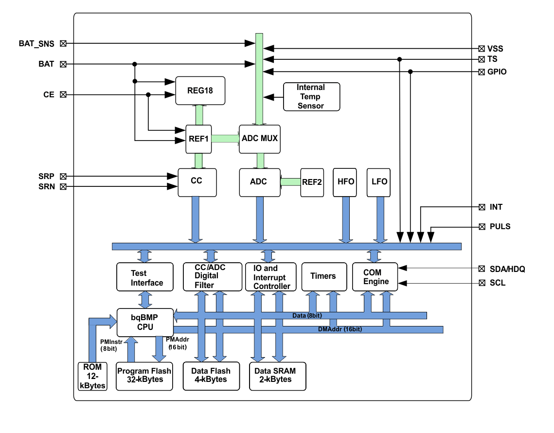
框图
发布日期: 2019-05-15
| 更新日期: 2025-06-25

