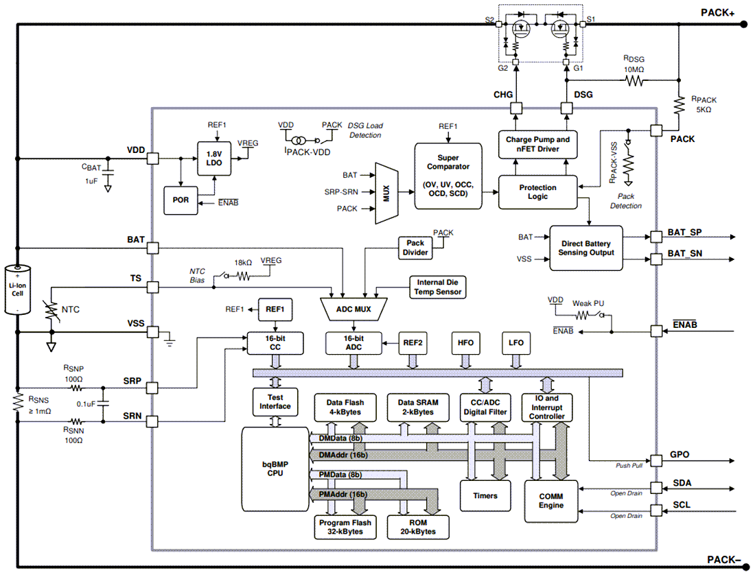
Texas Instruments bq27Z746电量监测计通过一个与I2C兼容的接口进行通信,融合有低功耗的TI BQBMP处理器、高精度模拟测量功能与集成式闪存。它还包含一个N沟道高侧FET驱动器以及SHA-2身份验证变换响应器,这些特性使其成为一个完整的高性能电池管理解决方案。
特性
- 集成电池电量监测计和保护器
- 闪存可编程定制BQBMP RISC CPU
- SHA-256验证
- 400kHz I2C总线通信接口
- 低电压 (2.0V) 运行
- 两个独立高精度16位ADC
- 带有低至1mΩ的电流检测电阻的库仑计数ADC
- 用于电池电压和内外部温度传感器的电压ADC
- 基于获得专利的Impedance Track™技术的电池电量监测
- 用于电池续航能力精确预测的电池放电模拟曲线
- 针对电池老化、温度以及额定引入效应进行自动调节
- 带有内置保护功能的电池开尔文检测差动模拟输出引脚
- 高侧或低侧电流检测
- 可编程、基于硬件的保护
- 高侧FET栅极驱动器
- 过压和欠压(OVP和UVP)
- 放电过流保护和充电过流保护(OCD和OCC)
- 放电短路(SCD)
- 基于固件过热 (OT)
- 降低典型功率模式
- 睡眠模式 (20µA)
- 运输模式 (10µA)
- 货架模式 (5µA)
- 关断模式 (0.2µA)
- 超紧凑 15 焊球NanoFree™ DSBGA
应用
- 任何单芯可充电电池供电的终端设备
- 智能手机
- 平板电脑
- 摄像头
- 便携式可穿戴/医疗设备
- 工业手持设备
功能框图
发布日期: 2022-04-04
| 更新日期: 2022-06-09

