Texas Instruments bq51013C/bq51013C-Q1无线Qi电源
Texas Instruments bq51013C/bq51013C-Q1无线接收器Qi (WPC v2.0)兼容电源是单芯片、高级、灵活的二次侧器件,适用于便携式应用中的无线电源传输,可提供高达5W功率。bq51013C/bq51013C-Q1器件在集成符合无线电源联盟 (WPC) Qi v2.0 通信协议所需的数字控制的同时提供接收器 (RX) 交流/直流电源转换和调节。将bq500212A初级侧控制器(或其他Qi发射器)和bq51013C/bq51013C-Q1相结合,可为无线电源解决方案提供完整的非接触式电源传输系统。利用Qi v2.0协议规定了二次侧到一次侧的全局反馈,以控制功率传输过程。TI bq51013C/bq51013C-Q1集成了低电阻同步整流器、低压差稳压器(LDO)、数字控制以及精确的电压和电流环路,以确保高效率和低功耗。
bq51013C-Q1器件符合汽车应用类AEC-Q100认证。
特性
- 符合汽车应用标准(bq51013C-Q1)
- 符合AEC-Q100标准,具有以下特性-器件温度1级(-40°C至+125°C环境工作温度范围)
- 集成无线供电接收器解决方案
- 整体AC-DC峰值效率:93%
- 完全同步的整流器
- 符合WPC v2.0标准的通信控制
- 输出电压调节
- 接收器线圈和输出之间仅需IC
- 动态整流器控制,可改善负载瞬态响应
- 符合无线充电联盟 (WPC) v2.0标准的[启用了异物检测 (FOD) 功能]高精度电流检测
- 效率动态攀升优化了整个输出范围内的性能
- 自适应通信限制提高了通信的鲁棒性
- 支持最大20V的输入
- 低功率耗散整流器过压钳位 (VOVP = 15V)
- 热关断
- 多功能NTC和控制针脚,用于温度监控、充电完成控制和故障主机控制
应用
- 符合WPC v2.0标准的接收器
- 被动进入被动启动 (PEPS) 系统
- 超声波智能探头
- 手机和智能手机
- 耳机
- 手持式设备
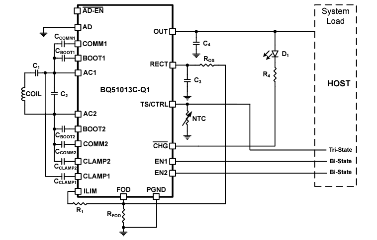
无线电源系统概述
简化原理图
发布日期: 2024-10-29
| 更新日期: 2025-05-09
