特性
- 3节至5节电池的电池监控功能
- 用于高侧NFET保护的集成电荷泵,可选自主恢复功能
- 各种保护套件,包括电压、温度、电流和内部诊断
- 两个独立ADC
- 支持电流和电压的同步采样
- 高精度库仑计数器,输入失调误差<1µV(典型值)
- 高精度电池电压测量<10mV(典型值)
- 宽电流范围应用(检测电阻器上测量范围为±200mV)
- 集成二次化学保险丝驱动保护
- 自主或由主机控制的电池平衡
- 可承受生产线上的随机电池连接序列
- 多种电源模式(典型电池组工作范围条件)
- 正常模式:286µA
- 多种睡眠模式选项:24µA到41µA
- 多种深度睡眠模式选项:9µA到10µA
- 关闭模式:1µA
- 电池连接和选择其他引脚上的高电压容差为60 V
- 支持使用一个内部传感器和多达五个外部热敏电阻进行温度感测
- 集成式一次性可编程 (OTP) 存储器,客户可在生产线上进行编程
- 通信选项包括400kHz I2C和HDQ单线接口
- 用于外部系统的可编程LDO
- 32引脚QFN封装 (RSN)
应用
- 无绳电动工具和园艺工具
- 真空吸尘器
- 真空机器人
- 非军用无人机
- 其他工业电池组(3节至5节)
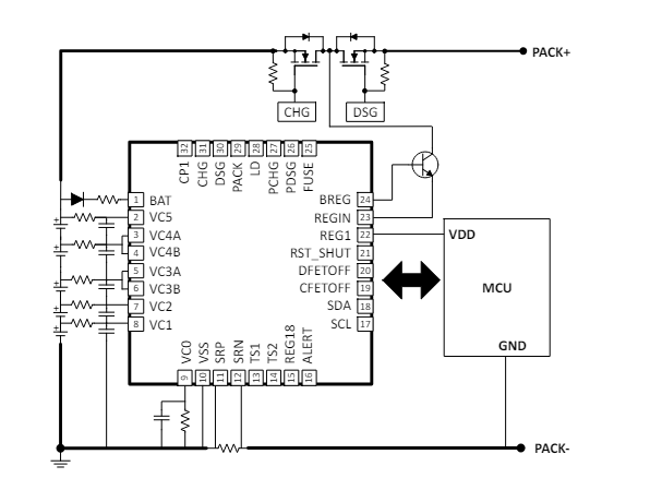
简化示意图
发布日期: 2024-05-23
| 更新日期: 2024-06-05

