特性
- 电池监控功能,用于3节至10节串联电池
- 集成电荷泵,用于高侧NFET保护,具有可选的自主恢复功能
- 各种保护套件,包括电压、温度、电流和内部诊断
- 两个独立ADC
- 支持电流和电压的同步采样
- 高精度库伦计数器,输入失调误差<1µV(典型值)
- 高精度电池电压测量:<10mV(典型值)
- 宽电流范围应用(检测电阻器上测量范围为±200mV)
- 集成二次化学保险丝驱动保护
- 自主或主机控制电池平衡
- 多种电源模式(典型电池组工作范围条件)
- 正常模式 (286µA)
- 多种睡眠模式选项(24µA至41µA)
- 多种深度睡眠模式选项(9µA至10µA)
- 关断模式 (1µA)
- 电池连接和选择其他引脚上的高电压容差为85V
- 可耐受生产线上的随机电池连接序列
- 支持使用内部传感器和多达9个外部热敏电阻进行温度检测
- 集成一次性可编程 (OTP) 存储器,客户可在生产线上编程
- 通信选项包括400kHz I2C、SPI和HDQ单线接口
- 双可编程LDO,用于外部系统
- 48引脚TQFP封装 (PFB)
应用
- 无绳电动工具和园艺工具
- 真空吸尘器
- 电动自行车、电动踏板车和LEV
- 非军用无人机
- 其他工业电池组(3节至10节)
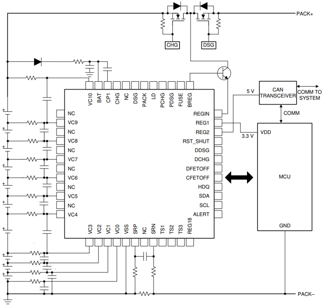
简化示意图
发布日期: 2021-02-22
| 更新日期: 2022-03-11

