特性
- 3至16节串联电芯的电池监测功能
- ±3.0mV的高精度电池电压测量
- 用于高端NFET保护的集成电荷泵,具有可选的自主恢复功能
- 各种保护套件,包括电压、温度、电流和内部诊断
- 两个独立ADC
- 支持电流和电压的同步采样
- 高精度库仑计数器,输入偏移误差<1µV(典型值)
- 多种电源模式(适用于典型的电池组工作范围条件)
- 正常模式 (286µA)
- 多种睡眠模式选项(24µA至41µA)
- 多种深度DEEPSLEEP模式选项(9µA至10µA)
- 关闭模式:1µA
- 宽范围电流应用(±200mV检测电阻上的测量范围)
- 集成二次化学保险丝驱动保护
- 自主或主机控制的电池平衡
- 电池连接和选择其他引脚上的高电压容差为85 V
- 可耐受生产线上的随机电池连接序列
- 支持使用内部传感器和多达9个外部热敏电阻进行温度检测
- 集成一次性可编程 (OTP) 存储器,客户可在生产线上编程
- 通信选项包括400kHz I2C、SPI和HDQ单线接口
- 双可编程LDO,用于外部系统
- 48引脚TQFP封装 (PFB)
应用
- 储能系统
- 电池备用单元 (BBU)
- 电动自行车、电动踏板车和LEV
- 无绳电动工具和园艺工具
- 非军用无人机
- 其他工业电池组(≥10节串联)
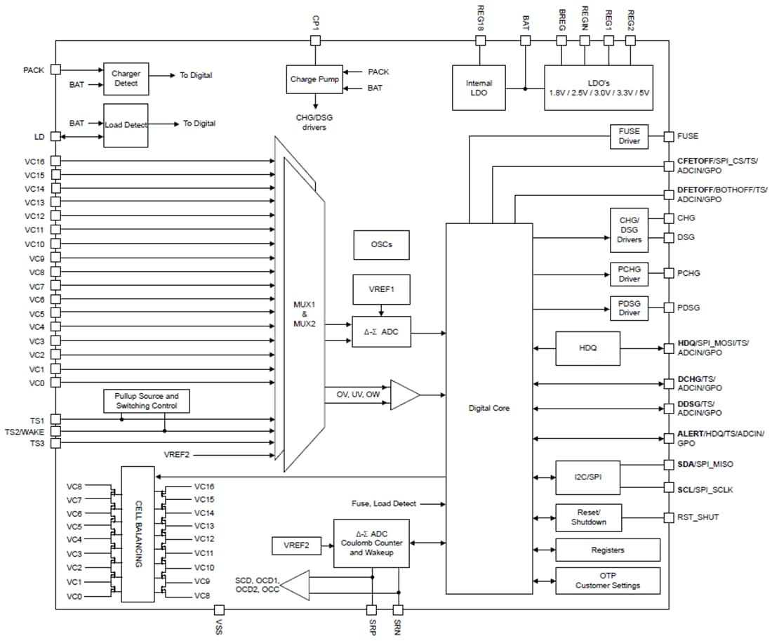
功能框图
发布日期: 2024-02-06
| 更新日期: 2024-02-12

