提供充电(OTC和UTC)和放电(OTD和UTD)的单独过温和欠温阈值,以增加灵活性。通过集成的独立CHG和DSG低侧NMOS FET驱动器实现器件电池组保护。这些驱动器可通过两个控制引脚禁用。这些引脚还能够以简单经济的方式为更多串联电池提供保护解决方案。
只需将上级器件的CHG和DSG输出级联至下级器件控制引脚,即可实现这些解决方案。放电过流保护延迟可通过从OCDP引脚连接至VSS的电阻器进行编程,从而提高适应性。BQ77915保护器通过可实现高达50mA电池均衡电流的集成式FET实现了智能被动电池平衡算法。
特性
- 可将电池节数从3节扩展到20节或更多
- 电压保护(过压精度±10mV,欠压精度±18mV)
- 过压:3V至4.575V
- 欠压:1.2V至3V
- 电池和电线开路检测 (OW)
- 电流保护
- 过流放电1:–10mV至–85mV
- 过流放电2:–20mV至-170mV
- 短路放电:–40mV至-340mV
- 温度保护
- 过温充电:45°C 或 50°C
- 过温放电:65°C或70°C
- 独立充电 (CHG) 和放电 (DSG) FET驱动器
- 通过集成FET实现智能电池平衡算法(均衡电流高达50mA),此外还支持通过外部FET实现更高的电池均衡电流
- 超低功耗HIBERNATE模式
- 每节电池输入具有36V的绝对最大高额定电压
- 过流 (OCD1/2) 延迟可通过电阻器进行编程
- 关断模式:0.5µA(最大值)
- 超低静态电流:8µA典型值(正常模式)、2µA(休眠模式)
- 整套电压、电流和温度保护
- 智能电池被动均衡功能消除池间的电压不平衡
应用
- 电动工具,园林工具
- 清洁机器人、吸尘器、悬浮滑板
- 电动自行车
- 10.8V至72V电池组
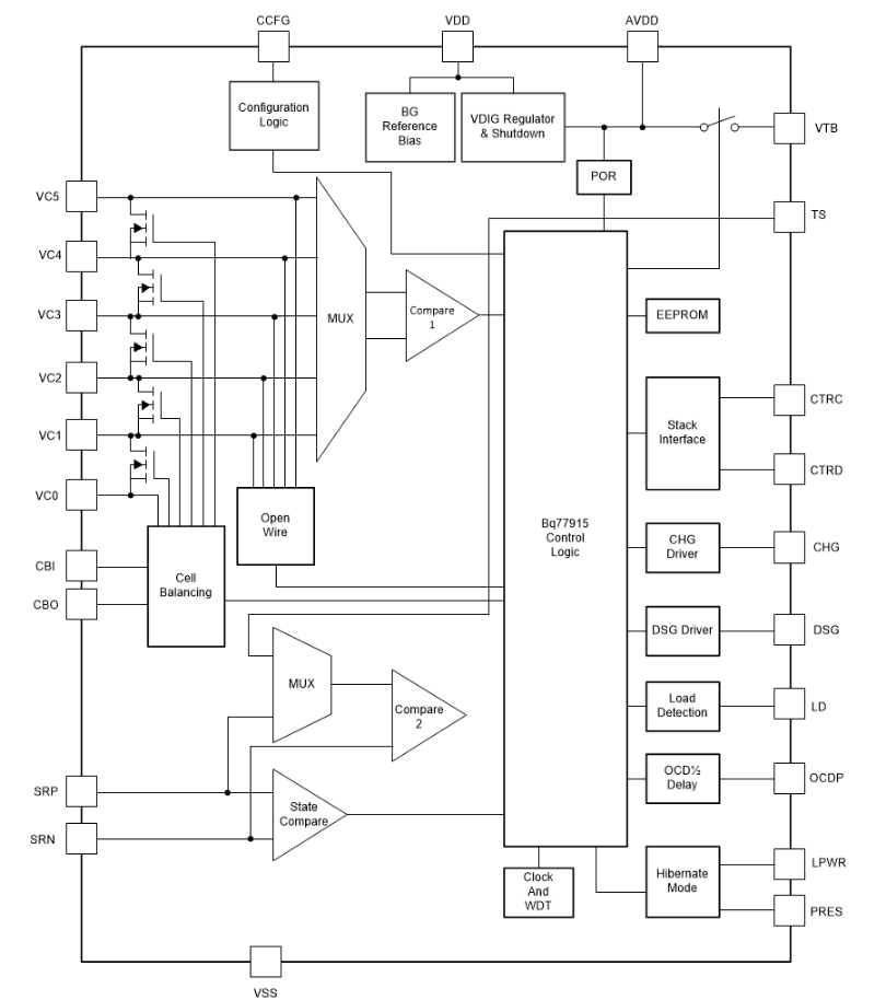
框图
发布日期: 2018-10-11
| 更新日期: 2023-06-21

