Texas Instruments CD74ACT138 3线至8线解码器/解复用器
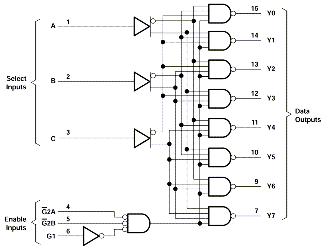
Texas Instruments CD74ACT138 3线至8线解码器/解复用器专为要求短传播延迟时间的高性能存储器解码和数据路由应用而设计。在高性能内存系统中,Texas Instruments CD74ACT138解码器可以最大限度地降低系统解码的影响。
特性
- 输入兼容TTL电压
- 双极F、AS和S速度,功耗大幅降低
- 专门为高速内存解码器和数据传输系统而设计
- 平衡传播延迟
- 内置三个使能输入端,可简化级联和/或数据接收
- ±24mA输出驱动电流
- 抗SCR闩锁的CMOS工艺和电路设计
相关开发工具
通用评估模块,设计用于支持任何TI逻辑引线器件(14-24引脚)。
支持任何采用BQA、BQB、RGY(14 - 24引脚)、RSV、RJW或RHL封装的逻辑器件或转换器件。
发布日期: 2024-08-23
| 更新日期: 2024-08-30