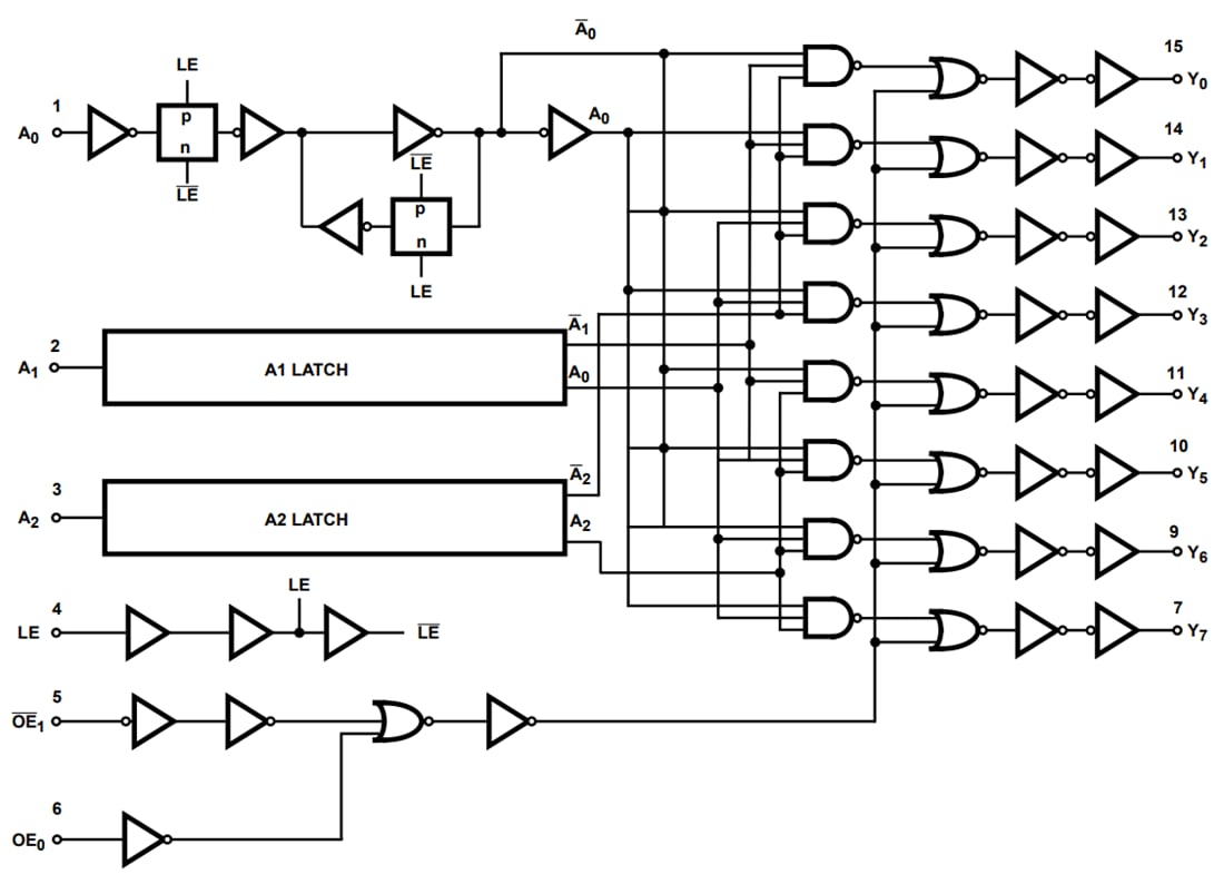
这些电路具有三个二进制选择输入(A0、A1和A2),这些输入可由高电平有效锁存使能 (LE) 信号锁存。这样即可将输出与选中输入的变化隔离。低电平LE使输出对输入透明,电路用作8选1解码器。提供两个输出使能输入(OE\1和OE0),以方便解复用和简化级联。解复用功能使用A0、A1和A2输入来选择所需的输出。它将一个输出使能输入保持在有效状态,另一个输出使能输入作为数据输入。在Texas Instruments CD74HC137和CD74HCT137中,选中的输出为低电平;在CD74HCT237中,选中的输出为高电平。
特性
- 在八个数据输出中选择一个
- CD74HC137和CD74HCT137的是低电平有效
- CD74HCT237的是高电平有效
- I/O端口或内存选择器
- 两个使能输入用来简化级联
- 典型传播延迟:13ns (CD74HC237)(VCC = 5V、15pF、TA = 25°C时)
- 扇出(超温范围)
- 标准输出:10个LSTTL负载
- 总线驱动器输出:15个LSTTL负载
- 宽工作温度范围:-55°C至+125°C
- 平衡传播延迟和转换时间
- 与LSTTL逻辑IC相比,显著减少了功耗
- HC类型
- 2 V 至 6 V 操作
- 高抗噪性:NIL 和NIH 均为VCC 的30%(VCC = 5V时)
- HCT类型
- 4.5 V 至 5.5 V 操作
- 直接兼容LSTTL输入逻辑,VIL = 0.8V(最大值),VIH = 2V(最小值)
- 兼容CMOS输入,VOL 、VOH 条件下Il 为1µA
功能框图
发布日期: 2024-12-05
| 更新日期: 2025-07-31

